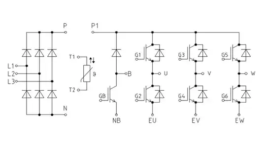
The circuit shown below is the schematic of infineon PIM module. I am specifically interested in FP15R12W1T4. From the schematic I could understand all elements other than the 4th leg which has an igbt in series with a diode. I am new to this field. I assume, that leg and terminals are provided to feedback the present voltage level under a specified switching frequency.
Asked
Active
Viewed 178 times
1 Answers
2
By applying a DC shunt to the battery, the motor instead of free wheeling can regenerate and brake the motor. using the back EMF of the motor/generator.
There are different implementations including Battery Regen and single phase Remanence braking.
This is why there is a single B phase brake on a 3 phase UVW phase rectifier or bridge driver.
Tony Stewart EE75
- 1
- 3
- 54
- 185
-
So, is it possible to use the B phase to establish dynamic braking or plugging? – Vivek Vijayan Jan 18 '20 at 03:56
-
That’s what its for – Tony Stewart EE75 Jan 18 '20 at 03:57
