Edit: After extensive discussion with HikeOnPast (thank you) and then a brief hiatus, I am back with more specific questions. The edited question follows...
Let me start by saying this is my first Arduino project, and I'm a little confused with some of the hardware.
I am attempting for my first project to make a fingerprint door lock, and the only thing that's stopping me from purchasing the components is knowing if my setup is going to work or not.
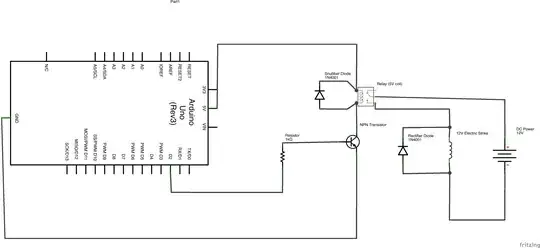
The basic schematics of the idea are below:

Old image: https://i.stack.imgur.com/3dT8v.jpg
Is this an acceptable setup? For the actual fingerprint reader, I was going to use this one, https://www.adafruit.com/products/751, which upon receiving the correct fingerprint, tell the Arduino to send power to the lock to unlock it for a certain amount of seconds.
The coding I can handle.
The strike that I will be using is similar to the "Electric Door Strike for Schlage Locks," and the power supply will be similar to the "Linear Corporation AAE00381 12-Volt DC 2000ma Power Supply."
Specific questions:
- Do these schematics make sense? After discussing this with HikeOnPast below, I believe I copied his schematics correctly. I'm not sure what he meant by "12V Return" from the strike but I assumed it is the same as sending it back to the power.
- Is there a better, more efficient, or simpler wiring setup?
- Would the above work with an electromagnet substituted for the strike (I'm assuming yes, I would just need to find parts that are compatible with the magnet)?

