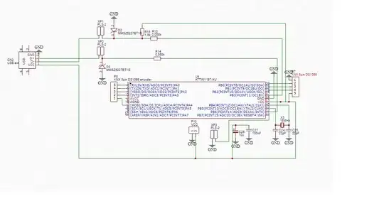
I'm using Digispark Pro with my program successfully. I bought new ATtiny167 chip for custom PCB board (for HID USB device). I use the scheme from: https://electrobattery.ru/product/plata-arduino-digispark-pro-attiny167/ and this is not working. Result is: “Unknown USB Device (Device Descriptor Request Failed)”.
What I tried:
- I read fuse from my digispark pro (E:FE H:DD L:DF). I wrote this fuse successful. I read flash from my Digispark Pro . I wrote this flash successful. Not working.
- I tried this variant: How to write a bootloader and drivers for ATtiny167. same result.
- i Tried micronucleus 2.04 (https://github.com/micronucleus/micronucleus) with both fuse variants. same result.
Part2: I solder out chip (old chip) from my working digispark pro, which successful work with USB. And tried use this chip on my breadboard. Result: “Unknown USB Device (Device Descriptor Request Failed)”
I tried another variant: i took new chip and soldered it in digispark pro. Try 6 combination: 2 variant of fusses and 3 variant of flash (probootloaderr2.zip from http://digistump.com/wiki/digispark/tutorials/proisp; t167_default.hex dвdrom https://github.com/micronucleus/micronucleus/tree/master/firmware/releases and readed flash from my Digispark Pro). Result: “Unknown USB Device (Device Descriptor Request Failed)”
I returned old chip to digispark pro. everything works good.
WHAT the problem((( Please help
I only write fuses and flash to chip. May be i have to do anything else?
Please help.

