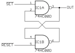
I am looking for a device or circuit that outputs HIGH when a pushbutton has been pressed (if the button is pressed again it is supposed to still output HIGH), also, if possible, another pushbutton to make the output LOW.
Is this possible without an IC? How to do it?


