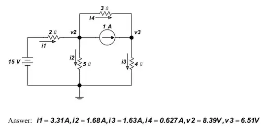
I have been reading up on network analysis techniques for an upcoming competition, and I was wondering if anyone could be so kind as to derive and explain the system of mesh equations required to solve the following problem:

There is an ideal current source present. I want to solve for values that the answers are given for, but I have no idea what setup I should use for the two meshes with the ideal current source. Drawing three clockwise mesh currents i_a for the left loop, i_b for the top right loop, and i_c for the bottom right loop, I have come up (after applying KVL) with the equation
\$ 15=2I_a+5(I_a-I_c) \$
How do I formulate the other equations?
Thanks in advance!
Also, if this does not belong here, I apologize - and please tell me where I should post it!
15=2I_a+5(I_a-I_c); 1=I_c-I_b; 3I_b+4I_c+5(I_c-I_a)=0 Is this correct?
– hedgepig Dec 11 '12 at 13:32