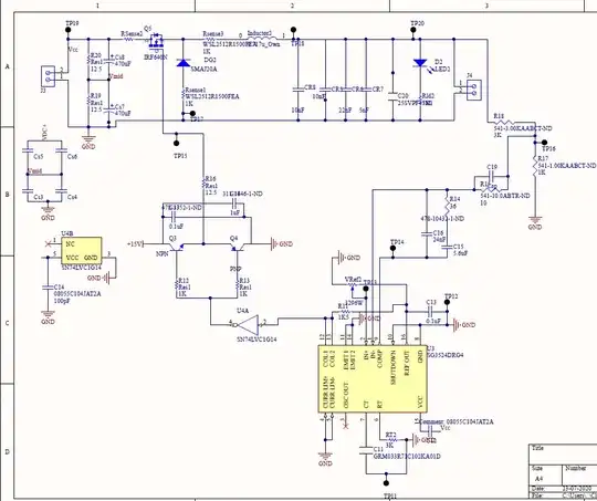
I have designed a 50 W, 12V-5V buck converter operating at switching frequency 200kHz.This is just for understanding practical converter circuits, so I made a totem-pole bjt driver circuit for IRF640N.
Can someone help me out with the isolation required for the MOSFET? At first I had placed the switch in the return path, but this design is for closed loop control, so I think I might have trouble with feedback noise if I don't place it in the go-path. I know there is pulse-transformer isolation & digital isolation, but I'm not sure how to incorporate that.
EDIT: Parallel to trying to do the isolation part, I was looking for a gate driver IC, but I'm stuck at how to choose one.Any inputs on that front is helpful too.
