56

A lot (if not most) LEDs have some kind of small thickenings on their legs. Sometimes they are almost as wide as the leg itself and barely visible, sometimes they are twice as wide and instantly noticeable.

When present they seem to be the same on all legs, so I doubt they are used to indicate anode or cathode. The only explanations that come to mind are:

  1. They are a manufacturing by-product, possibly a place for holding LEDs during manufacture.

  2. They are designed to provide a bigger soldering surface.

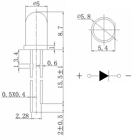
Here's an image that shows them on both legs (sized 1 x 0.6mm):

enter image description here

They might not be specific to LEDs alone, but are commonly seen on them.

HYBRID BEING
  • 661
  • 5
  • 9
  • 21
    I always thought they were there to keep the LED from sitting too close to the PCB, or to keep them all at the same height above the PCB, but I must admit I haven't thought about it much. – ocrdu Sep 01 '20 at 10:50
  • @ocrdu for the LED shown above the required hole diameter is likely 0.9mm - too large for the 0.6mm wide thickening to have an influence. – asdfex Sep 01 '20 at 11:05
  • 1
    @asdfex they do however provide a nice positioning feature for consistent hand-assembly even if they go through the hole with reasonable ease - the diagram above shows a particularly subtle thickening, I admit – Chris H Sep 01 '20 at 19:35
  • 2
    They are the LED's knees of course. – copper.hat Sep 02 '20 at 19:05

3 Answers3

96

From here this is what the leadframe looks like.

enter image description here

This is what they look like when they are molded in small scale production:

enter image description here

After this, the parts are separated but the die is made so that it does not weaken the lead, which means it has to be a bit wider in that area. So the remaining nubs are artifacts of the production process, like ejector pin marks on a molding.

Spehro Pefhany
  • 397,265
  • 22
  • 337
  • 893
25

Your first guess is correct.

The leads are held together in a strip of lead frame, until individual LEDs and their leads are cut off.

Justme
  • 147,557
  • 4
  • 113
  • 291
8

5mm LEDs can be made without flanges from lead frames that attach at the end instead and temporarily held in place during fabrication, then cut to specified lengths after factory separation.

The purpose of the flange is to promote a standoff gap between base and pad soldering @600’F. Without heatsink tools, the soldering heat velocity is 1mm/s along the lead and soldering time must be <5s preferably 3s to avoid heat damage to epoxy moisture seal on the base. Moisture ingress can damage life expectancy from corrosion. Clear epoxy is worse than black epoxy for moisture seals.

Tony Stewart EE75
  • 1
  • 3
  • 54
  • 185
  • 4
    Not sure why your answer was downvoted, but some references would probably make it better. I found this Cree datasheet that shows the same LED available in different versions, some with more pronounced "bumps" than others, and the respective part numbers have an "S" ("Standoff") or "N" ("No Standoff"). This seems to back up your assertion that the bumps are not only a byproduct of manufacturing but are sometimes intentionally included as a mechanical feature, like you said. – kwc Sep 03 '20 at 03:47
  • 3
    @kwc, it looks like "standoff" does not always refer to these "bumps". Here you may see that both standoff and "bumps" are present on pictures, while here "bumps" are specifically referred to as standoffs (and "stopper" in Japanese, i think). So while they are a manufacturing by-products, as mentioned by other answers, they could indeed double as standoff. – HYBRID BEING Sep 03 '20 at 15:13