I'm building an architecture for a large scale robot (3x3meters) and I would like to build a specific architecture around I2C differential to control motors drivers (this should be noisy).
My problem is, in order to avoid high cost cables and connector, to build kind of star I2C network using PCA9615. Since star network are not really recommended on RS485 for instance, I guess so it should not be ok with differential I2C.
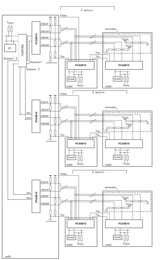
So my idea is to split network like this:

My main board will collect all feedback from several PCA9615. All twisted lines will be maximum 3m long.
I guess using a I2C switch will solve my solution (for example TCA9548A).
But since I don't have experience in I2C network, I rather ask ;)
So my question is: could it work? Is there a simpler solution?
Thanks a lot !! :)
Note: If I'm not clear enough, please feel free to reprimand me.
