0

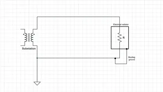
I know that bootleg ground is dangerous and should never be done, I am just using it as an example for my question, I probably have a fundamental misunderstanding about current flow and voltage, because, by my reasoning, the chassis of an appliance, if connected to neutral wire while the appliance is turned on (so, hot wire is connected to the neutral wire inside of appliance circuit) should have the same voltage on it as the hot wire. See this picture:

Electric radiator with a bootleg ground

The reason I think that, is because neutral wire and hot wire are only different when they are not connected, once they are connected, both hot wire and neutral wire become the same wire, right? So, voltage on the part of the wire that we previously called neutral should become the same as on the hot wire with respect to ground, right? And since appliance's chassis is connected to the same wire, shouldn't voltage on the chassis rise to hot voltage with respect to ground, if not why? Touching the chassis with bootleg ground should provide an alternative path for current through the person to the ground, so why doesn't this happen?

If ground and neutral are bonded at main panel, why aren't all grounded device chassis energized? - This question seems to be actually the same as the one I have, because I also don't understand why chassis of appliances does not have voltage in a TN-C-S system where ground wire and neutral are bonded at the service panel, don't they become the same wire if they are bonded?

To summarize: If neutral wire and hot wire are connected through a load, don't they become the same continuous wire which should have mains voltage on it with respect to ground? In a TN-C-S system don't ground wire and neutral become the same wire if they are bonded at the service panel?

Edit 1: changed the picture per comments.

Answer: I revisited Ohm's law and understood the answer to my question. My problem was that I was mixing the fact of something being grounded directly causing the effect of everything being in the below (neutral) part of the circuit at 0V relative to each other. When in fact I should be thinking of everything on the ground as resistors connected in parallel to the neutral, the voltage drops at the radiator making it close to 0 for everything else, a person touching neutral is like a resistor in parallel to resistance of neutral.

drustle
  • 113
  • 6
  • Your schematic shows a short circuit to both sides of R1 and that cannot be right. In the equivalent game of rock, paper, scissors, the schematic always trumps any words so fix your schematic please. – Andy aka Nov 29 '20 at 11:23
  • @Andyaka I am not familiar with electrical schematics and just tried to illustrate the wiring, why is there a short circuit? Neutral and hot wires are both connected to the load with resistance, so what is the place of short? – drustle Nov 29 '20 at 11:33
  • Andy is seeing the box around the load as an electrical connection as there is a dot at top and bottom of R1 – Russell McMahon Nov 29 '20 at 11:44
  • ok, thank you, I updated the picture. – drustle Nov 29 '20 at 11:55
  • @user263983 my question is about theory of voltage and current, not regulations. I may be misunderstanding the 'cut-off' point between hot wire and neutral wire, is this the load? to me it seems like there's no cutoff point when wires are connected through load. – drustle Nov 29 '20 at 12:37

3 Answers3

2

You do not know Ohm's and Kirchoff's laws. Calculations with them shows the mains voltage against the GND (=ground) is distributed to 3 parts which are proportional the resistances in the series circuit. The heater has resistance about 22 Ohms. The hot and neutral wires have much lower resistances, say 0.1 Ohm each so the voltage between GND and the bootleg-grounded radiator case is only about 1 volt. That voltage counts if you happen to touch at the same time the case and some other grounded object. It's not dangerous, maybe even not noticeable.

Between the radiator side ends of the hot and neutral wires there's left 218 volts. That's the actual voltage which generates heat in the resistance of the radiator. Of course the 1 volt drop in both wires also causes some heating in the wires, but if your system obeys the code the wires stay cool enough.

It can happen that someone cuts the neutral wire by accident or there's a loose connection which makes the resistance of the neutral wire infinite. Then you can enjoy full mains AC electrocution by touching at the same time the case of the radiator and some other grounded object, say a water pipe or concrete floor. This is the reason why the protective ground wire must be brought separately from the main electricity service panel.

  • Okay, so, for a 220V AC power supply a 2200Watt heater will consume 10A, the resistance of the heater is therefore 22 Ohms, which means that there will be a voltage drop across the heater of 220V, does it mean that wires on both sides of the heater (hot and neutral) will be at 0V when the heater is running? it would be safe to touch any wire (assume the wire does not have insulation)? This is the part that I don't seem to grasp... – drustle Nov 29 '20 at 15:32
  • The heating resistor in the radiator touches at the same time hot and neutral wires. If there was no voltage between those wires the radiator couldn't get any feed, the situation would be like the radiator was disconnected. But the radiator takes about 10A (a little less because the wires resist a little) so there's a voltage between the wires. If you happen to insert yourself between the hot line and the ground you enjoy the same voltage. This is what Kirchoff's and Ohm's laws predict and measurements can easily verify. –  Nov 29 '20 at 16:06
  • let's say in hypothetical world there's a wire that can withstand a short-circuit continuously and we have a voltage source that will always supply the same amount of voltage because it has no internal resistance, we take two such wires and use them as neutral and hot and then short circuit them, will it still be safe to touch the neutral wire, will it still be at 0 V with respect to ground? – drustle Nov 29 '20 at 16:35
  • You jumped out of the world where calculation "0 multiplied by any number" gives 0 and division by zero gives nothing - not at least any number such as 0 or 1 or 23.456 etc.... I cannot and nobody can give a calculated answer because you want a thing which is not defined as numbers. How much is in your imagined world 220 - 0*220/0 ? –  Nov 29 '20 at 16:47
  • What I was trying to say, is that I have trouble understanding where the neutral and hot wire separate.. they obviously do it at the load with resistance, but I am trying to gain an intuitive understanding as to why, because they are still connected through load, yet they act as they are separate, that's the part I don't get intuitively. Is this something that can be represented with water analogy? – drustle Nov 29 '20 at 16:57
  • Yes. Think a river with a mill which is run by a turbine in a high damn . The river before the damn is you hot wire, the machines together (including the turbine) in the mill are your radiator's resistor and the river between the sea and the mill is the neutral wire. Voltage between two places = the water surface elevation difference of the places. –  Nov 29 '20 at 17:06
  • I think I begin to understand it, basically in an AC circuit the neutral is grounded at the sea level, while the hot wire before the mill constantly either rises above sea level or goes below sea level, which create flow back and forth. The load represents the difference in elevation which allows the voltage to exist. This helps a lot. – drustle Nov 29 '20 at 17:28
  • I posted my answer to this question: https://electronics.stackexchange.com/a/534675/269745 hopefully this will shed light of what kind of explanation I am looking for, I would appreciate if you could point out what is fundamentally wrong with my answer and expand your answer. – drustle Nov 29 '20 at 19:55
  • I revisited Ohm's law and understood the answer to my question. My problem was that I was mixing the fact of something being grounded directly causing the effect of everything being in the below (neutral) part of the circuit at 0V relative to each other. When in fact I should be thinking of everything on the ground as resistors connected in parallel to the neutral, the voltage drops at the radiator making it close to 0 for everything else, a person touching neutral is like a resistor in parallel to resistance of neutral. – drustle Nov 30 '20 at 14:08
2

Your hypothesis is incorrect.

The voltage would be as shown. It is assumed that the supply voltage is 240 V.

The enclosure voltage would be at zero, considering the neutral as reference.

enter image description here

Only a neutral wire break could raise the enclosure voltage to 240V.

enter image description here

Obviously, the right way would be to have a separate ground for the enclosure.

enter image description here

vu2nan
  • 18,175
  • 1
  • 16
  • 47
  • I am asking "why". Why wouldn't the chassis be at 240 with respect to ground? What prevents it from going to 240V above ground? If the answer is because the neutral is grounded, why does grounding a part (half) of the circuit prevents 1 half of it from being at 240V, how come hot wire is different from neutral if they make one continuous wire through load? – drustle Nov 29 '20 at 16:08
  • Only because potential difference between the load terminals is a necessary condition for the passage of load current. Line and neutral at the same potential implies no load current. The middle schematic has been altered to make it clearer. – vu2nan Nov 29 '20 at 17:42
1

No, the hot and neutral lines don't end up at the same voltage. The resistance R of the load is the critical part. It's that resistance that allows the hot and neutral wires to stay at different voltages.

In the ideal case, all wires are assumed to have zero resistance. If we pretend that's true for now, then it follows that all the parts of the combined neutral and ground must be at the same voltage, and since the Earth is at zero volts, then everything connected to it - including the case of the appliance - must also be at zero volts.

However, if you pass a current (I) through a resistor (R), you get a voltage (V) across it given by Ohm's Law

V = IR

So the two ends of a resistor do not need to be at the same voltage, and will not be the same voltage whenever a current is flowing.

In reality, wires don't have zero resistance, and you can see a small voltage difference between the two ends of a wire. In power circuits, that voltage should always be very small.

Simon B
  • 19,226
  • 1
  • 29
  • 56
  • I guess we have a problem. It maybe is useless to write well proven facts of electricity by using words which have already got different meanings and bound together by other relations which are something else than Ohm's and Kirchoff's laws for circuits. –  Nov 29 '20 at 20:42