I am using a blue LED (InGaN) in a simple circuit to show me when my garage door is opened by looking through a window.
The door is usually closed and may get opened once per day for a couple of minutes but sometimes longer.
The LED will work for 1-2 months then stop. I replace it and then the same thing happens.
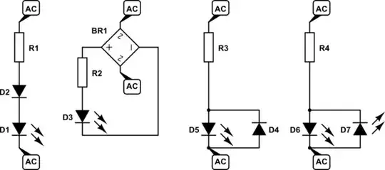
The circuit includes a blue LED in series with a 4.7K Ohm resistor, a 120VAC/24VAC transformer connected to 120 VAC source, a normally-open magnetic switch that closes when the garage door opens, and a fuse. The picture included does not show the transformer or the fuse.
As far as I can tell, I am not exceeding any design limits of the LED including temperature.
Any ideas?



