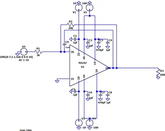
To power a PA107DP Apex Microtechnology amplifier, I need two power supplies, one of + / -18V and another of + / -100V.
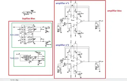
To supply it with +/- 100V, I use the R24100B power supply from Recom.
In the datasheet I saw the configuration of two cascade converters.
When do we use this configuration?
This converter is used on this schematic:
Why do they use two power supplies (R24-100B) in cascade?


