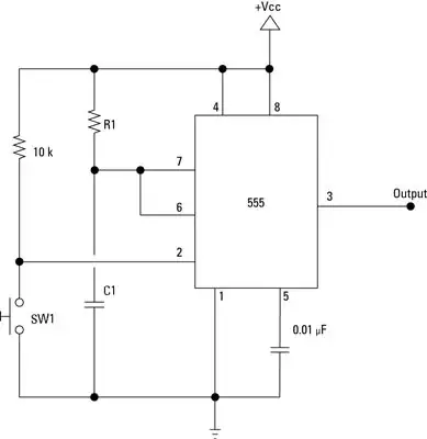
I am trying to use a 555 IC to create a low-high-low pulse that will trigger only once and still go low even if the button continues to be pressed. This is the circuit I have now but the pulse stays high if I continue pressing the button:
Edit: Wrong circuit diagram


{}code button. – Transistor Apr 07 '21 at 21:31