I'm very new to circuits and was confused about HFE affecting collector current in a BJT. How does the base current affect collector current? Shouldn't it just amplifies the current at the emitter and not change the current drawn through the collector (what I mean to say is that shouldn't the current gain only affect output at the emitter and not the input at the collector)
-
2https://electronics.stackexchange.com/questions/355899/how-is-possible-that-with-same-ibase-there-is-more-than-one-vce/355955#355955 – G36 May 12 '21 at 16:56
-
6And where will this extra emitter current come from? – Transistor May 12 '21 at 16:57
-
Look into transistor Beta. The datasheets call it $Hfe$ but most of the references out there call it Beta. The link from @G36 does a good job explaining it I think. – Aaron May 12 '21 at 17:02
-
1We normally use the symbol 'hFE' for the large signal hybrid parameter forward current gain, common emitter. And hfe for the small signal parameter. Unless you're talking about the Helmholtz Free Energy or something else with that acronym. – Spehro Pefhany May 12 '21 at 17:03
-
Quote (Art of Electronics, Horowitz and Hill): "The collector current is accurately determind by the base-emitter voltage , rather than by the base current (the base current is then roughly determined by hfe)" – LvW May 12 '21 at 17:14
-
The ratio of base current to emitter current is set by the Hfe value (which varies a lot more than you might think). The collector current necessarily flows because the emitter current has to come from somewhere; the BJT can’t just create or destroy electrons. – Frog May 12 '21 at 19:55
2 Answers
The BJT is typically operated in one of three broad domains:
- cutoff: The base-emitter voltage is below some assumed threshold. For example, one might assume values below \$V_\text{BE}\le +400\:\text{mV}\$ for a silicon NPN. (\$V_\text{BE}\$ may be forward-biased, but only a little. It can also be reverse-biased.) The collector pin floats, in the sense that it has only a very high impedance to either the base or the emitter pins. Cutoff is usually attempted by trying to hold the base voltage actively close to the emitter voltage. The reason a small positive voltage can still be considered as 'cutoff' is because the allowed (being allowed and actually happening are two different things) collector current is so small -- in the tens of nanoamps, or less. And for most practical circuits, this is negligible. In more discerning circuits that intentionally deal with small currents, though, an NPN \$V_\text{BE}= +400\:\text{mV}\$ might very well not be considered cutoff, but instead active. (See #2.)
- active: The base-emitter voltage is above some assumed threshold. (For example, one might assume a forward-biased value above \$+500\:\text{mV}\$ for a silicon NPN.) The collector pin is now more actively connected to the emitter (has a strong galvanic connection to it.) Here, in this domain, the base has to supply a certain amount of current (a recombination current) in order to continually restore circumstances that would otherwise shut down the collector's active connection to the emitter. (I'll include a diagram below that elaborates this to a fine degree.) In this active mode, BJTs have a relationship between the collector current and the required base current that is relatively fixed over a range of three orders of magnitude, or more. (I'll include another diagram below to elaborate this also to a fine degree.) In this mode, a BJT's collector will behave similarly to a current source/sink (PNP/NPN.) Active mode is usually used for some form of analog amplification as opposed to switching.
- saturation: The base-emitter voltage is above some assumed threshold. (For example, one might assume a forward-biased value above \$+500\:\text{mV}\$ for a silicon NPN.) Just about the same situation as for active mode, above. The difference here is that the circuit external to the BJT causes (or permits might be a better way to say it) the collector voltage to closely approach the voltage of the emitter, enough so that the collector-base diode becomes slightly or heavily forward-biased. The degree of saturation is determined by just how forward-biased the collector-base junction becomes/is. This is often caused when a resistor is connected between a voltage source and the collector pin and when the base is able to support far more current than is needed for active mode operation. In this mode, a BJT's collector will behave similarly to a voltage source (rather than a current source.)
The following image shows you the fixed relationship between the collector and base current for a BJT (from Ian Getreu's "Modeling the Bipolar Transistor"):
But please keep in mind that while this relationship works over orders of magnitude, the exact relationship varies widely between BJTs, even those from the same family. For example, a 2N2222A device may be known to have \$\beta\approx 200\$. But any given device within a bag of them might vary by 50% in either direction, and no two of them exactly the same. It's also temperature sensitive, etc. So, while it is interesting behavior, you should not rely too much on any specific value for \$\beta\$ when designing a circuit for active mode operation.
The following image illustrates the various currents that operate inside a PNP BJT (from Jacob Millman's 1979 edition of "Microelectronics: Digital and Analog Circuits and Systems"):
- 77,876
- 6
- 77
- 188
The base emitter voltage VBE causes an emitter current to flow in a BJT. In a perfect transistor, this would all flow to the collector. In a real transistor, some of this current flows to the base as well, due to various things like the finite thickness of the base. The ratio of collector/base current is often called β, or hFE. It can be in the hundreds for small signal transistors, and is typically in the many tens for power transistors. It's fairly constant over many orders of magnitude of current variation, which is why it's worth giving a name to it.
With this internal charge flowing to the base, the VBE would quickly drop and the emitter current flow would stop. A base current must be supplied to the base lead to maintain the base voltage.
Without this base current, the transistor would not be able to maintain the emitter or collector current. This leads to the model that a BJT can also be regarded as a base current controlled collector current source.
Given that the dependence of collector current on base current is roughly linear, and the dependence on base voltage roughly exponential, the current controlled model is often more practical to use, especially when biassing.

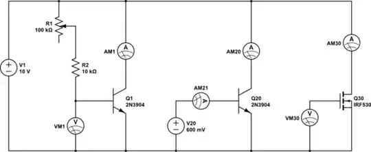
simulate this circuit – Schematic created using CircuitLab
Consider the circuit above. Let's say R1/2 together are about 100k, so a current of approximately 10 V/100k = 100 uA flows into the base of Q1. Let's say that the hFE is 100. This means that whatever emitter current flows, 1% of it will flow through the base. If the emitter current is zero, then with 100 uA flowing in through R2, the base-emitter capacitance will charge rapidly, and eventually reach a voltage where some emitter current will flow. The base voltage will stop increasing when the internal emitter-base current reaches that of the externally applied current through R2. If we open circuit R2, the internal emitter-base current will rapidly reduce the base voltage, and the emitter current will stop flowing. It's this behaviour of emitter (and hence collector) current in response to base current that means it's completely valid, and often useful, to regard a BJT as a current controlled device. Over many orders of magnitude, the 'output' collector current is around β times the base 'input' current. VBE tends to be in the 0.5-0.7 V region for the sort of base and collector currents that we use in practical circuits. It's possible to estimate fairly closely what all voltages and currents in this circuit are going to be.
If we reduced R1 to zero, then we would observe about 10 times the base current flowing, and also about 10 times the collector current flowing. That's a good enough argument (if it happens, it must be true) for most people to say that a BJT uses a small base current to control a large collector current, and that it's a current amplifier.
In the second circuit, Q20 is driven by a 'stiff' voltage source that controls the base voltage. The base will draw a current, which we can measure in ammeter AM21, of about 1/100th of the emitter current. If we alter the base voltage slightly, by a few 10s of mV, or the temperature slightly, the collector current will vary exponentially over many orders of magnitude. With the 600 mV indicated as the input voltage, I can't estimate to within a factor of 1000 either way what the collector current is likely to be. We need to operate any circuit like this with emitter feedback, or differentially with respect to another similar transistor, to get any stability at all with temperature. If used differentially, it works best in an integrated circuit, where the two transistors are built in the same way, next to each other.
If we assume some stable DC biassing, and look at the variation in base voltage causing a variation in collector current, then we arrive at the gm model of a transistor, and we regard the transistor as voltage controlled.
On the right we have a truly 'voltage controlled' device. As the gate is insulated from the conducting channel in the device, we can apply a gate voltage, which will induce a drain current to flow. The gate voltage will only change through an external current or leakage in the device, not the device's normal operation.
- 166,079
- 3
- 185
- 408
-
Neil_UK, why do you think that "......the VBE would quickly drop..." ? I rather think that in most applications the base-emitter voltage VBE is externally applied and kept as "stiff" as possible (low-resistive voltage divider in conjunction with emitter feedback). – LvW May 13 '21 at 07:35
-
-
Neil_UK, thank you for the hint - however, I do not understand how and why "VBE would quickly drop". More than that, you write: "If the emitter current is zero, then with 100 uA flowing in through R2......". How can the emitter current be zero when Ib (through R2) is 100µA ? Where does the current go? Am I blind? Can somebody help me? – LvW May 13 '21 at 12:46
-
@LvW As you know, emitter current is given by Ie = exp(f(VBE)). So if the emitter current is zero, VBE must be zero or small. Now the residual capacitance CBE charges with the external 100 uA, and raises VBE, and then the transistor starts to conduct. Such is all easily worked out from the context of the answer. To answer your first point second, in much the same way, without a base current supply, CBE would be quickly discharged from the fraction of emitter current that flows into the base, it's only a few pFs as you know, so would happen very quickly. – Neil_UK May 13 '21 at 14:54
-
OK - I see. So you speak about the switch-on behaviour at t=0, correct? I was a little bit confused because the questioner was asking something about hfe which applies for the small-signal steady state only. So it was a misunderstanding - perhaps due to some language problems on my side. As you know - my mother tongue is not English. – LvW May 13 '21 at 16:06
-
Neil_UK, another remark: You know my position regarding current vs. voltage control. In this respect I can agree to the ("tricky") wording you have used in the second paragraph below the figure. (To avoid misunderstandings: This was not ment ironically). – LvW May 13 '21 at 16:14

