1

I've tried many times to read electronic schematics. I always struggle to understand how to read it in order to understand how the circuit works.

The most important problem I have is trying to figure out the purpose for all the different capacitors.

I know that I should split the circuit in different functional parts but I still have this kind of problem.

Would you please tell me how to read a schematic specially when capacitors are involved?

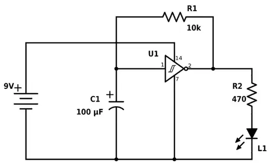
For instance this very basic schematic about a blinking LED.

enter image description here

enter image description here

Circuit fantasist
  • 16,664
  • 1
  • 19
  • 61
Manuel B
  • 11
  • 2
  • Let's take it one step at a time, 1) Do you understand why the first circuit may cause the LED to blink at a faster rate than your eye can detect? 2) If you understand that, then do you understand why adding the cap in the second circuit slows down the on-off period so that you can see it with your eye? If both these circuits are clear, then we can discuss the 3rd one, the astable-multivibrator. – SteveSh May 29 '21 at 16:43
  • The general rule is if a capacitor is across the power rails, it is a decoupling or bypass capacitor. If it's anywhere else, it's a filter or timing capacitor (which are kind of the same thing, just with different intent). In both of your examples, they are timing capacitors. Why timing instead of filter? I guess because there's no signal going through them as much as they are just being blindly driven. – DKNguyen May 29 '21 at 17:16
  • 3
    I think your question is not "how do I read a schematic?" but rather "how do I understand this circuit?" Surely you already know that the |( things are capacitors. – user253751 May 29 '21 at 19:06
  • There is a lot going in that first circuit. It's relying on leakage currents and stuff to charge the cap and transistor thresholds which are rather fuzzy values. Here's a simulation of it: https://tinyurl.com/yzj9ff5b – DKNguyen May 29 '21 at 21:23
  • ManuelB, This whole topic is right smack in the middle of where everyone starts when struggling to learn about electronics. Like learning any language, you start by learning simple and common needs in life and how those are expressed and built out from there. (Plus, you do need to first learn the basic alphabet, too.) But one of the first things I think you should learn to do is to *redraw* schematics. Even when you have no clues at all, following a few basic rules in drawing them will -- by itself -- help you gain a foot-up. – jonk May 29 '21 at 22:27
  • @DKNguyen the first circuit is a BJT based toggle type circuit. I've seen this toggle circuit used in the ON/OFF sections of guitar pedals. See the schematic of a tube screamer for instance. The circuit is used in the JFET bypass section. – mrbean May 30 '21 at 21:34

3 Answers3

4

There is no one set answer; capacitors can perform several different functions in circuits. In all cases there is charging and discharging going on, but how that affects circuit operation depends on the circuit.

Both of the schematics you posted have capacitors performing an R-C timer function. A capacitor is charged up or down through a resistor until the voltage across the capacitor passes a certain value, often called the circuit's trip point. When that happens, the circuit does something. Exactly what is different in the two circuits, so pick one and we can drill down into its function.

AnalogKid
  • 19,998
  • 1
  • 13
  • 32
3

How to understand circuits

I always struggle to understand how to read it in order to understand how the circuit works.

You have set for consideration a very interesting and important topic - how to understand circuits. It is something too large to be answered here... but still let's try.

I have been doing this myself all my life and most of my time has been spent discovering and explaining the general ideas (concepts) behind the specific circuit implementations... because that is the only way they can be truly understood. In contrast, most of the people (especially here) explain the specific circuit implementations without seeing the general ideas behind them... as the saying goes, "they don't see the forest for the trees". The result is many questions about the same circuits.

That is why, in 2002, I dedicated to this endeavor (understanding circuits), my site Circuit Fantasia (How to understand, present and invent circuits) and especially its part Circuit stories on the whiteboard and my classes on Analog Electronics. Later, in 2007 I started the wikibook Circuit Idea and involved my students in creating it. Finally, in 2020, I began creating my blog Circuit Stories where to collect my resources. Also, I dedicated all my contributions in EE forums to understanding circuits. I think these resources can help you really understand circuits.

So, to understand a circuit first at all means to see the basic idea, the concept behind this mixture of components. For this purpose, you can use various heuristic means - intuition, imagination, visualization, common sense, analogies, emotions... and, of course, accumulated previous knowledge. Then, when you decide to implement the circuit, besides these "qualitative means", you will need "quantitative means" for its calculation and a lot of "details"... but at this stage you do not vitally need them.

I know that I should split the circuit in different functional parts...

Exactly! We begin understanding with looking for something known - more elementary circuit building blocks (subblocks) and basic ideas (concepts). I have illustrated it in my answer to a question about an ingenious 2-transistor circuit. Let's now do it with your circuit...

How to understand capacitor circuits

First, you need to create a functional idea of the capacitor. For this purpose, I highly recommend you get acquainted with my story in a related answer. I have written it more as a "fairy tale" than as a "serious" technical description to convincingly describe the capacitor properties used in its various applications. Here is a short list of typical applications extracted from there.

Signal applications

Constant voltage:

  • "Shifted" voltage (coupling capacitors)
  • "Fixed" voltage (decoupling capacitors).
  • Memory

Varying voltage:

  • Integrator
  • Differentiator

Voltage opposition (RC filters)

Power applications

Voltage loss

Backup voltage source

  • Rectifier capacitor
  • Bypass capacitors
  • Pulse discharge
  • Supercapacitor

See also one more answer of mine.

How to understand multivibrators

Then, we have to see the specific capacitor application in these circuits.

Converting time to voltage

In these circuits, the capacitor acts as an integrator - a device that converts the invisible time into a more real voltage. So, the voltage across the capacitor slowly changes when a relatively small current flows through it… and we use it as a measure of time.

The capacitor acting as an integrator needs current but there is only voltage (produced by the power supply of 9 V in your circuits). That is why, they converted it to current by connecting a resistor in series (R2, R3 in the first circuit and R1 in the second one). Thus an RC integrating circuit is built by cascading two sub-building blocks - voltage-to-current converter (resistor) and current-to-voltage integrator. See, for example, one more story of mine - a class exercise conducted with my students in 2004.

The problem of the humble RC circuit is the current does not stay constant but gradually decreases. As a result, the voltage slows down and the famous exponent appears… but it does not matter in these timer applications (it can be even useful as I have shown in [my answer] (https://electronics.stackexchange.com/a/548167/61398)).

In other applications, the voltage must change linearly through time and then it is compensated. I have dedicated many materials about this great idea; see for example, my Wikibooks story and another answer of mine.

Comparing the voltage

The two circuits are examples of the so-called relaxation oscillators where to create a time interval, the capacitor voltage is compared to a reference voltage (threshold) by subtracting both voltages in series and applying the difference to the input of the amplifier... and the process begins again.

In the first circuit, an ingenious circuit solution is used - the humble base-emitter junction of the transistor serves as a comparator. The clever trick is that first, the capacitor C1/C2 is charged through the forward-biased junction of the transistor Q2/Q1 with a current limited by R1/R4; then the capacitor voltage is applied with an opposite polarity to the backward-biased junction of Q2/Q1. As a result, no base current is consumed from the R1C1/R4C2 integrating network and the capacitor is recharged undisturbed. More advantages are that the capacitor voltage range is two times higher than the supply voltage and the transistor switches on in the middle (0 V) of the range. I have thoroughly considered this process in another related answer about such a timer.

In the second circuit, the comparator has two voltage thresholds and the capacitor voltage "travels" between them.

So, in the first circuit, there are two timers which act sequentially one after the other... and their capacitors are recharged in the same direction. In the second circuit, there is only one capacitor (timer)... and its direction is periodically reversed.

Latching operation

Both circuits must hold their state while the capacitor is recharging. For this purpose, they are implemented as latches by means of self-reinforcing (strong) positive feedback.

The first circuit has two separate inputs with the same thresholds where the two capacitor voltages are applied. The second circuit has a common input with two different thresholds (the so-called hysteresis) where the only capacitor voltage is applied.

Circuit fantasist
  • 16,664
  • 1
  • 19
  • 61
2

Capacitors in circuits have three main functions:

  • blocking DC current while letting AC current pass — In amplifiers and high pass filters. Small values mostly.
  • filling up slowly for time integration — In timer circuits and low pass filters. Large values mostly.
  • providing 90° phase shift between voltage and current in AC circuits — In oscillators and mains voltage circuits.

In practical circuits with ICs, there's a fourth function.

  • providing a local energy storage for each IC, so the supply voltage to the IC doesn't locally dip when it switches.
Janka
  • 14,276
  • 1
  • 21
  • 35