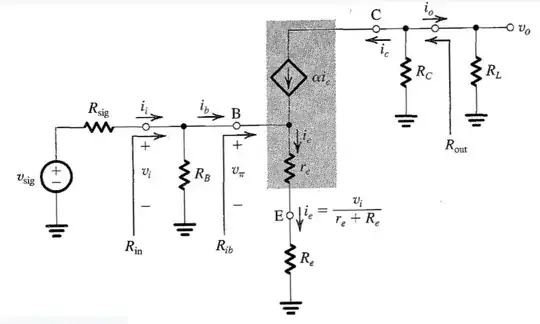
I am trying to analyze the following BJT amplifier. When it comes to calculating the output resistance, the instructor's solution simply says "It's Rout=Rc", possibly assuming that by shorting the independent voltage source, the dependent current source becomes zero. That doesn't make sense to me though, since the resistance network of Rb, Rsig, Re and re is not short-circuited. Therefore, there has to be a current across the dependent source and Rout shouldn't be simply equal to Rc. Am I missing something in the methodology? Any help would be appreciated.
Asked
Active
Viewed 59 times
0
-
The collector of a BJT in active mode is similar to a current source (discounting $r_o$.) What is the Thevenin equilavent source to a Norton source (possessing a parallel resistance)? – jonk Jun 12 '21 at 19:35
-
Taka look here at these two answers https://electronics.stackexchange.com/questions/342859/bjt-common-base-output-resistance-derivation/342989#342989 and here https://electronics.stackexchange.com/questions/265046/calculation-of-output-impedance-of-ce-emitter-bias-configuration-unbypassed-wi/276764#276764 – G36 Jun 12 '21 at 22:55
1 Answers
1
Well, with \$V_{sig}=0\$, everything on the lower left side of the circuit is tied to ground, and there's no current through any of the resistors. Thus, \$i_e=0\$ as well. That means that \$αi_e=0\$, so no current flows in the dependent current source. Since the current source is assumed to be ideal, it has infinite output impedance, so that infinite impedance in parallel with \$R_C\$ is just \$R_C\$.
Hearth
- 32,466
- 3
- 55
- 133
-
Thanks for your answer! So, if I have understood correctly, we consider that the current supplied by the independent test voltage source we add to calculate the output resistance never reaches the lower left side of the circuit due to the dependent source being initially open-circuited? – dimen Jun 12 '21 at 19:39
-
How would it? The only path to that part of the circuit is through a current source, and that current source is completely independent of anything happening on the collector side, where you're measuring the impedance from. – Hearth Jun 12 '21 at 19:42
-
There is a leakage resistance called the Early Effect shunting the current sink and as Vcb approaches 0V Rce starts to decline exponentially until Vcb becomes forward bias around 600 mV @ 1mA or even 0V @ max current, then Rce is almost constant with Rce=Vce(sat)/Ic – Tony Stewart EE75 Jun 12 '21 at 20:39
-
