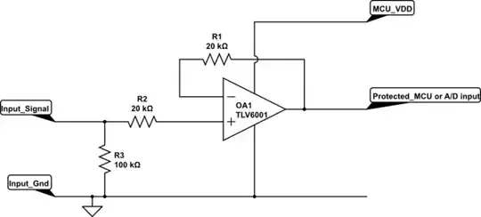
I'm trying to measure an AC current on a wire using Rogowski coil based current transducer. the CT I have at home has output voltage of 5v and output current of 1A as specified in the datasheet here. I'm looking for an electronic component that will enable me to decrease the output current such that it won't burn my Arduino on one hand, but won't influence the output voltages since those are the measurement results that I'm interested in.
I read about current transformer but wasn't sure it's the right component. can anyone give me advice about which component should I use?
Thank you
