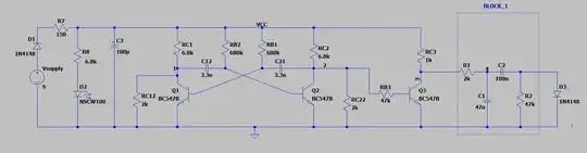
I'm new to LTspice so I would like to have a few ideas. Here is a circuit:
Basically, the output of BLOCK_1 is a small triangular waveform. I need to pass this output through a 1N4148 diode which is a test device. The current which I get through it is:
Essentially, this is what I obtain after using the current probe of LTspice.
I've been thinking of a situation where I am not allowed to use the current probe, for instance.
In that case, I need the I/V characteristic for the diode D3 using the voltage probe only.
In that case, should I just add a capacitor in parallel with D3? I just need to add a single component to get both I and V characteristics of D3, I have a hunch.
I would probably need to probe two node voltages to make that work. I need to figure out those 2 nodes and plot one against the other in LTSpice to be sure, but I've been unable to do so.
Somehow, I need to know the Shockley characteristic current for D3 without using the current probe. Can someone please help me out in this with a nice explanation?
IMPORTANT: I would be building the circuit on a circuit board and probing it with an oscilloscope, so I won't be able to probe the current. That's why I need a way around.


