I'm looking for an integrated AND gate with one inverted input that fulfills
\$Y={\overline{A} \cdot B}\$
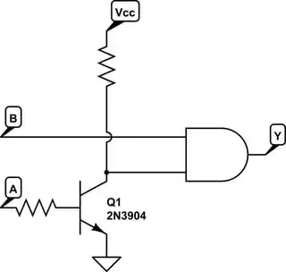
I know that I could invert one input with a common emitter configuration, however I prefer to implement this gate with as little passives and discretes as possible.

simulate this circuit – Schematic created using CircuitLab





