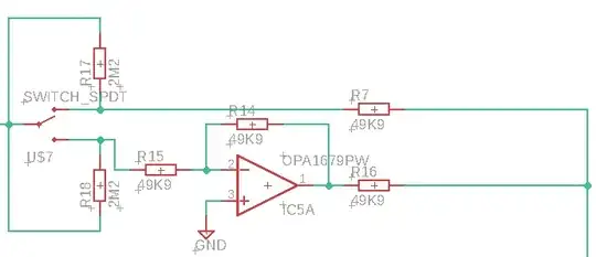
Would you place the SPDT switch in front or behind the opamp?
the benefit now is the load stays equal on the source, 49K9 Ohm .. and the opamp is jobless. but will the opamp cause noise (inverted)?
2M2 Ohm debouching or 100nF capacitors?
Would you place the SPDT switch in front or behind the opamp?
the benefit now is the load stays equal on the source, 49K9 Ohm .. and the opamp is jobless. but will the opamp cause noise (inverted)?
2M2 Ohm debouching or 100nF capacitors?
Looks like what you're trying to do is make a +1/-1 gain switchable buffer. Your circuit needs a bit of work though.
Try this (simulate it here):
This gives a gain of +1 or -1, depending on the switch, and has a constant input impedance of 47 kohm to GND. If you need a different impedance change all the resistors to the same value (e.g., 49.9k).
Switch 'up' you get -1 gain (invert), switch down you get +1 (follow).
And now, a circuit that does 'soft' switching between modes (simulate it here):
This works a bit differently: it grounds the (+) input. It does have one drawback: the impedance changes depending on the gain setting. But it will switch modes without making much of a loud 'pop'. Since it uses a p-FET with a positive pinch-off, it could be logic controlled too with an appropriate level shifter.
Design Notes:
And here's one that provides a consistent impedance, and uses MOSFETS instead (simulate it here):
This circuit can use common n-channel MOSFETS like the BSS138 or 2N7002. These are easy to find and very inexpensive. Why two? See this answer: Two directional FET switch. Is it possible?
And this fixes the impedance issue, too. When inverting, the virtual ground loads the input; when non-inverting, the (+) pull-down loads the input.
Only limitation is that the max + signal swing is (+15V - Vgs), or 13.5V for this 1.5V FET.