I found this diagram on relays from A Guide To How A Relay Works.
Why are both 2 and 3 needed? Wouldn't just one be sufficient? I am assuming that when the relay is powered, 1 gets magnetised and gets attracted to 4.
I found this diagram on relays from A Guide To How A Relay Works.
Why are both 2 and 3 needed? Wouldn't just one be sufficient? I am assuming that when the relay is powered, 1 gets magnetised and gets attracted to 4.
Before I dive into relays, let me give you a primer on switches in general.
There are lots of different kinds of manually operated switches, all being useful for different purposes. Here are a few, with their names and some nomenclature:

simulate this circuit – Schematic created using CircuitLab
The number of "poles" refers to the number of indiviual switches that are present in the "package". Each "pole" will be activated by the same "pressing" action.
The number of "throws" tells you how many different connection paths that each indiviual pole can create in its "pressed" or "not pressed" state. For instance, the SPDT switch has two possible "paths", one connecting COM to NO (when the switch is pressed), the other connecting COM to NC (when the switch is released).
The terms NO and NC tell you which path from COM will be "closed" when the switch is in its "pressed" or "unpressed" state. I hope it's obvious that "NO", meaning "normally open", is the path that remains open (disconnected from COM) when the switch is not pressed.
The advantage of double throw switches is that you can control two current paths. In this next circuit there are two lamps, one red, one green. Normally the red lamp is illuminated, but when the switch is pressed, the path from COM to NC is broken, and the path from COM to NO is closed, which causes the red lamp to go out, and the green lamp to light instead:

This behaviour is not possible (at least, not without a lot of extra circuitry) with a single-throw switch.
You can find relays with all kinds of switches in them. The one you showed us in your question contains a SPDT switch. Here it is with all the connection names added:
Here's a circuit, using this very relay to control two lamps in exactly the same manner that the manual switches in the previous circuit did:

You can control the lamps, or any other devices, by switching on and off current in the coil, instead of manually pressing a switch.
When current flows through the coil, the switch is magnetically "pressed", and the current path through the green lamp will close, causing that lamp to illuminate. When you deactivate the coil, the switch returns to its "unpressed" position, and the red lamp will be lit instead.
An interesting observation to make is that the circuitry with the switch and lamps is completely electrically isolated (disconnected) from the coil and whatever that's connected to. This is a very useful property of relays, because it enables you to control dangerous high voltage or high current stuff, without exposing those conditions to any delicate circuitry on the coil side, responsible for controlling the low voltage and current needed by the coil.
How you control coil current is up to you. You could use a transistor and an Arduino, to switch the coil current on and off electronically, rather than manually. The possibilities are endless.
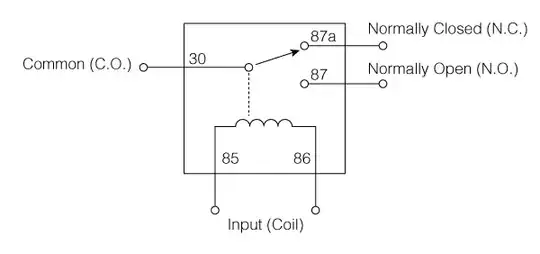
Image from here.
The pin marked "30" corresponds with the middle contact in the diagram in your question. The pin marked "87a" is normally closed when the relay is unpowered. The pin marked "87" is normally open and becomes closed when the relay is energized. If you want to know more about relays, follow the link where the image came from.
The push bar does not make contact with pin 2.
Image source: Instrumentation tools.
What isn't quite clear from the image in your question is that the armature pivots at the top right. The animation shows the pivoting action and almost exactly matches the correct illustration you supplied.
The part that's missing from the illustration is that the relay's ferrous cylindrical core extends down to the bottom of the coil and is attached to another ferrous L-shaped flat piece which provides a path for the magnetic flux back up as far as the pivot point. When the armature pulls in the magnetic circuit is closed, the airgap is eliminated or much reduced and this explains why a relay needs a higher voltage to "pick" than it does to hold or release.
Why are both 2 and 3 needed? Wouldn't just one be sufficient?
This arrangement gives great flexibility in relay control circuits.
I am assuming that when the relay is powered, 1 gets magnetised and gets attracted to 4.
No, neither contact gets magnetised. The magnetic flux is constrained to the core and armature as these have a magnetic permeability about 1000 times better than air.
Relays can be used to switch between two circuits if needed. In your case, when the relay is powered, the connection between 2 and 3 shifts to the connection between 3 and 4. Essentially these are different circuits. Circuit#1 is powered when 2 and 3 are in contact and circuit#2 is powered when 3 and 4 are in contact.
If you are interested, you can also learn more about double pole switches (not an electromagnetic relay).
The way they've drawn it doesn't really make sense.
To make sense, imagine pin 3 being moved to the right, so it's in contact with pin 4 when it's at rest.
Then when the magnet is actuated, it pulls down in the grey arm. The end of the pin from the grey arm extends through pin 2, and is connected to pin 3, so when the grey arm is pulled down, it pulls pin 3 to the left. When it flexes to the left, it loses contact with pin 4, and comes into contact with pin 2.
For this to work, pin 3 (at least part of it) needs to be made of material that's at least somewhat springy, so it can flex back and forth without breaking, cracking, etc. Of course, it also needs to be able to carry the current for which the relay is specified. Pins 2 and 4 are usually thicker, so they'll remain rigid.