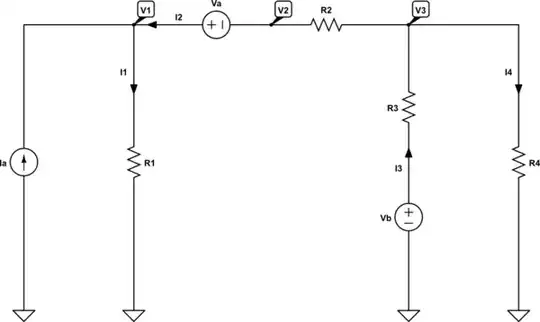
There are many ways to solve such circuit with nodal analysis. The most important part (in terms of learning) is how to correctly formulate the equations; solving them can be done with a calculator, or with hand but that's just algebra. (Of course, we can also simulate the circuit, but then you're not learning how to formulate the equations.) So I'll show some ways to obtain the equations; solving them is up to you. The circuit is the following.

Figure 1. Image source: own.
Method 1: Applying source transformation
If you've already been taught about source transformations, and are allowed to use them in your circuit, then we can transform the 5-V source into a (5 V)/(25 Ω) = 1/5-A current source, with the reference direction pointing to the left. The resulting circuit diagram is the following. The arrowheads indicate the reference direction I've arbitrarily chosen for the currents to be used in KCL.

Figure 2. Circuit diagram for the first method. Image source: own.
Applying KCL at node a:
\$ + 2 \text{ A} - \dfrac{V_\text{a}}{30 \text{ } \Omega} + \dfrac{1}{5} \text{ A} - \dfrac{V_\text{a} - V_\text{b}}{25 \text{ } \Omega} = 0 \text{ A} \tag 1 \$
Applying KCL at node b:
\$ - \dfrac{1}{5} \text{ A} + \dfrac{V_\text{a} - V_\text{b}}{25 \text{ } \Omega} + \dfrac{10 \text{ V} - V_\text{b}}{15 \text{ } \Omega} - \dfrac{V_\text{b}}{10 \text{ } \Omega} = 0 \text{ A} \tag 2\$
Now you have two simultaneous linear algebraic equations (eqs. (1) and (2)) with two unknowns (\$V_\text{a}\$ and \$V_\text{b}\$), which you can thus solve. The result is shown next.

Figure 3. Solution for the first method. Image source: own.
Method 2: Working with the current through the 5-V source as an unknown
In this method, we simply work with the current through the 5-V source as an additional unknown. Let's call it the current \$I_0\$, with the reference direction pointing to the left. Also, instead of just considering junctions (i.e. nodes with three or more interconnections), we'll additionally consider the node between the 5-V source and the 25-Ω resistor; let's call it node c. This is shown in the following circuit diagram.

Figure 4. Circuit diagram for the second method. Image source: own.
Applying KCL at node a:
\$ + 2 \text{ A} - \dfrac{V_\text{a}}{30 \text{ } \Omega} + I_0 = 0 \text{ A} \tag 3 \$
Applying KCL at node b:
\$ -\dfrac{V_\text{b} - V_\text{c}}{25 \text{ } \Omega} + \dfrac{10 \text{ V} - V_\text{b}}{15 \text{ } \Omega} - \dfrac{V_\text{b}}{10 \text{ } \Omega} = 0 \text{ A} \tag 4\$
Applying KCL at node c:
\$ - I_0 + \dfrac{V_\text{b} - V_\text{c}}{25 \text{ } \Omega} = 0 \text{ A} \tag 5 \$
Since there's now another unknown, we need a new equation. That's the constraint or auxiliary equation, which we get by expressing the voltage of the 5-V source in terms of the nodal voltages of the nodes adjacent to such source. Applying KVL around the loop aca (or by simply looking at the circuit diagram, and the polarity of the 5-V source and the location of nodes a and c), we get the constraint/auxiliary equation to be:
\$ 5 \text{ V} = V_\text{a} - V_\text{c} \tag 6 \$
Now you have four equations (eqs. (3), (4), (5) and (6)) with four unknowns (\$V_\text{a}\$, \$V_\text{b}\$, \$V_\text{c}\$ and \$I_0\$). The result is shown next; notice it's the same as in the previous method.

Figure 5. Solution for the second method. Image source: own.
Method 3: Writing the current through the branch where the 5-V source is, in terms of nodal voltages
In case you didn't know, it's possible to write or express the current through a V-R branch (that is, a branch consisting of a voltage source in series with a resistor) in terms of the nodal voltages of the two terminals of such branch. The formula is easy to prove, though I won't do it in this answer. It's as follows, provided the reference direction of such current is such that it exits the voltage source through the positive reference terminal of the source:
\$ I = \dfrac{V_\text{leaving} - V_\text{entering} + V_\text{source}}{R} \tag 7 \$
Let's use this fact to formulate the equations. The circuit diagram is the following.

Figure 6. Circuit diagram for the third method. Image source: own.
Applying KCL at node a:
\$ + 2 \text{ A} - \dfrac{V_\text{a}}{30 \text{ } \Omega} + \dfrac{V_\text{b} - V_\text{a} + 5 \text{ V}}{25 \text{ } \Omega} = 0 \text{ A} \tag 8 \$
Applying KCL at node b:
\$ - \dfrac{V_\text{b} - V_\text{a} + 5 \text{ V}}{25 \text{ } \Omega} + \dfrac{10 \text{ V} - V_\text{b}}{15 \text{ } \Omega} - \dfrac{V_\text{b}}{10 \text{ } \Omega} = 0 \text{ A} \tag 9\$
Now you have two equations (eqs. (8) and (9)) with two unknowns (\$V_\text{a}\$ and \$V_\text{b}\$). The result is shown next; notice it's the same as in the previous methods.

Figure 7. Solution for the third method. Image source: own.
Method 4: Forming a supernode with nodes a and c
As you know, we form a supernode, which is really a closed boundary that includes the adjacent nodes of the voltage source between the two non-reference nodes. In your circuits, they're nodes a and c, since the 5-V source is connected between those nodes. The circuit diagram is the following.

Figure 8. Circuit diagram for the fourth method. Image source: own.
Applying KCL at supernode a-c:
\$ \underbrace{+ 2 \text{ A} - \dfrac{V_\text{a}}{30 \text{ } \Omega}}_{\text{node $a$}} \underbrace{+ \dfrac{V_\text{b} - V_\text{c}}{25 \text{ } \Omega}}_{\text{node $c$}} = 0 \text{ A} \tag {10} \$
Applying KCL at node b:
\$ -\dfrac{V_\text{b} - V_\text{c}}{25 \text{ } \Omega} + \dfrac{10 \text{ V} - V_\text{b}}{15 \text{ } \Omega} - \dfrac{V_\text{b}}{10 \text{ } \Omega} = 0 \text{ A} \tag {11}\$
We have two equations but three unknowns; we need an auxiliary/constraint equation, which is the one indicating the voltage of the 5-V source in terms of nodal voltages:
\$ 5 \text{ V} = V_\text{a} - V_\text{c} \tag {12} \$
Now you have three equations (eqs. (10), (11) and (12)) with three unknowns (\$V_\text{a}\$, \$V_\text{b}\$ and \$V_\text{c}\$). The result is shown next; notice it's the same as in the previous methods.

Figure 9. Solution for the fourth method. Image source: own.
As you can see, the difference between your and my application of the supernode is that you formed the supernode with nodes a and b (and c), while I formed it only with nodes a and c. In your case, you got correct the first equation, but failed to formulate the constraint/auxiliary equations.