I am trying to design a circuit that has 2 LEDs and using one pin from a microcontroller "toggle" which one is on. The LEDs themselves are part of another circuit driven by the same microcontroller, and I want to be able to toggle specific LEDs to a different color. I have some experience with electronics, but extremely basic hobby level.
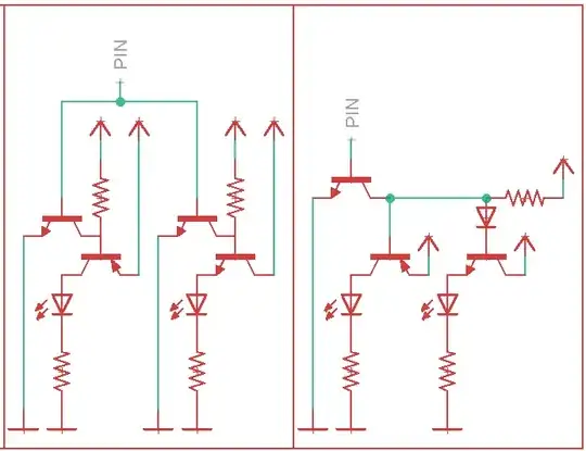
After testing different designs in tinkercad, I was able to get the following circuts that worked using a combination of npn/pnp transistors, and a logical inverter. I have a pretty basic understanding of how they all function, at least enough to create something that wokred.
However, I havent managed to think up a way to make this work without the inverter. Is it possible to make this circut work by connecting the npn and pnp bases directly to the microcontroller, or do I have to pull them up using the inverter?
