I have used several off-the-shelf mains voltage motion detectors over the last couple of months. Different makes and models. This kind of thing:
Often I have the issue that when they are off, they are not really off, i.e. the relay output still carries some voltage - less than in "on" state, but enough to light a LED in a connected circuit and false trigger an input. It's driving me crazy.
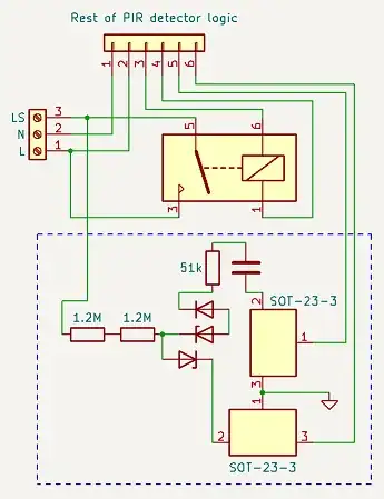
Today I have one like that again. The PCB is relatively simple, so I drew a schematic of what it is that is connected to the output.
The upper SOT-23 device is marked "1E", the lower one "3E".
Pin numbers requested in comments:
I will disconnect that part of the circuit as usual and it will probably work, but maybe someone can guess what the purpose of this circuit is?



