I recently designed an H-bridge circuit to try to develop a wireless charging circuit. I am currently generating the PWN signals with a function generator.
There are two signals which are at 10 Vp-p at 100 kHz with a 50% duty cycle. These signals are driving two MOSFET drivers (IRS2005SPBF). These drivers are connected to 2 N-channel MOSFETs (IPB049N08N5). The subsequent circuit is made up of an LC circuit which provides the resonance for the coil.
The issue: The circuit was not working, and the power supply indicated that there was a large amount of current flowing which might indicate a short circuit somewhere. I removed two MOSFETs and then the circuit worked.
Both drivers would only output the LO signal. Adding a 10 kΩ gate resistor to the circuit subsequently solved that issue (this is still with the 2 MOSFETs removed).
I currently can see the output of the MOSFET drivers at the input to the MOSFETs. When I soldered the 2 MOSFETs back to the circuit, I had the same issue I had at the beginning. I am not exactly sure where I went wrong. My schematic is based on the 200 W development kit from Würth.
The circuit also has a 24 V to 12 V voltage regulator, and a TL494 PWM generator which has been removed for the sake of testing. The two blue wires connected to the MOSFET drivers are from the function generator and hence soldered to the input wires of the MOSFET drivers.
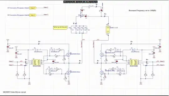
The schematic is of the gate driver circuit, and the PCB with the added resistor soldered directly to the board.
Edit1:
This is the input waveform that is being given to the two mosfet drivers as a HIN and LIN
The output waveform at mosfet driver U4, the driver on the right.
The output waveform of the mosfet driver u3, the driver on the left. For some reason Q3 or the top left mosfet doesnt seem to show any switching now. hence the constant voltage ~12v.
Edit 2:
This is the HIN and LIN input zoomed in. 48% duty cycle, reduced the frequency to 50kHz But as pointed out, this does not have a dead time.
This is the VB VS output waveforms. VB-> Yellow, Vs-> Green
This is the VB and VS output waveforms. VB-> Yellow, Vs-> Green
Edit 3:
I changed the Mosfet driver from IRS2005 to the IRS2108.

This is the measurement taken at the outputs of the mosfet driver U4(to the right of the schematic). There seems to be small amount of dead time there added from the mosfet driver.
This is the output from the mosfet driver u3.(To the left. The mosfet Q3 or the one connected to the 24V supply is stuck high. while the 2nd mosfet Q5 has the switching input from the mosfet driver)
Still Not sure why the mosfet is stuck high. is it due to the Rgs resistor or need for a bigger boot capacitor?



