The solutions presented in this question provide 12 V output when battery voltage is above a certain threshold and an inline switch is pressed.
Here is the schematic for the chosen answer:

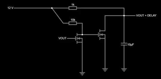
What would be the most appropriate way of adding an adjustable delay (0-5 s) such that the output goes to 12 V only once the conditions are met and the delay is satisfied? Adding an RC on the output would work but it could potentially load the next stage and it adds a delay on turn off as well.
Here is one solution using a 555 timer:
Is there a simpler way of achieving this?


