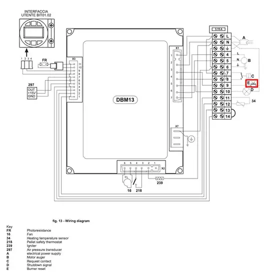
Can you please advice what is the symbol in red in following wiring diagram.
Asked
Active
Viewed 112 times
2
Pavel Hornak
- 41
- 1
-
3"Burner Reset" is almost certainly a thermal limit switch with manual reset. It will cut out if its design temperature is exceeded. – Dave Tweed Dec 15 '22 at 01:16
-
It looks like an external reset switch that is poorly documented. https://www.ferroli.com/media/1492008768.pdf – Tony Stewart EE75 Dec 15 '22 at 02:04
1 Answers
3
It looks like an external reset switch that is poorly documented. Yet defined as BURNER RESET. This is a Ferroli wood pellet burner furnace. https://www.ferroli.com/media/149200876/8.pdf I assume it is used after fault maintenance is repaired. Call them and ask. 800 596040 Tel: +39 045 6139411 Fax: +39 045 6100933
prevendita@ferroli.com info@ferroli.com
Tony Stewart EE75
- 1
- 3
- 54
- 185

