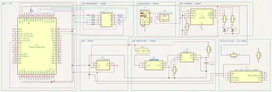
I followed some sources and came up with a battery charge circuit. The way it's wired "should" also give reverse polarity protection to the circuit. Could someone help me understand if I have designed this circuit correctly?
How is the current getting taken out of the circuit when polarity is reversed? I see that "DW01A-G" & "UMW8205A" are on the negative line, so if the battery is put in upside down the current would travel through the negative side of the circuit. Which portion of the circuit is absorbing the reversed current, so it's "protected"?
I read that charging a battery while its giving power can start a fire. Does the TP4056 the way I have it in my circuit remove power from the circuit when charging the battery? Does this not need to happen, because of the OC & OD protection? https://www.best-microcontroller-projects.com/tp4056.html#TP4056_Current_Programming_Resistor
