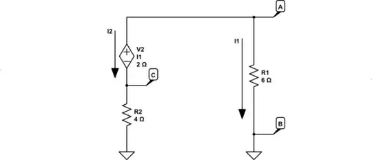
You can use super-nodes, if you like, or just regular nodal without the super-nodes. Either way, here's the schematic with some annotations that will be useful:

simulate this circuit – Schematic created using CircuitLab
I'll start with an explanation of my comment (which uses super-nodes.)
You know that \$V_{_\text{C}}=V_{_\text{A}}-2\:\Omega\cdot I_1=V_{_\text{A}}-2\:\Omega\cdot \frac{V_{_\text{A}}}{R_1}=V_{_\text{A}}\cdot\left(1-\frac{2\:\Omega}{R_1}\right)\$ So treat the two nodes as one, but with different voltages on them. Consider the idea of injecting a current called \$I\$ into node A, which will take on two different values: \$0\:\text{A}\$ and \$1\:\text{A}\$. (You could just as well also consider applying \$0\:\text{V}\$ and \$1\:\text{V}\$, but that wouldn't be using the nodal approach.) KCL using super-nodes follows:
$$\begin{align*}\frac{V_{_\text{A}}}{R_1}+\frac{V_{_\text{C}}}{R_2}=\frac{V_{_\text{A}}}{R_1}+\frac{V_{_\text{A}}}{R_2}\cdot\left(1-\frac{2}{R_1}\right)&=I
\\\\
V_{_\text{A}}=3\:\Omega\cdot I
\end{align*}$$
So the net resistance of the entire system looks like \$R_{_\text{TH}}=\frac{3\cdot 1\:\text{A}-3\cdot 0\:\text{A}}{ 1\:\text{A}- 0\:\text{A}}=3\:\Omega\$. Since you know that \$\frac{R_1\cdot\left(R_2+R_x\right)}{R_1+R_2+R_x}=3\:\Omega\$ you can solve: \$R_x=\frac{3\:\Omega\cdot\left(R_1+R_2\right)-R_1\cdot R_2}{R_1-3\:\Omega}=2\:\Omega\$. And that is what the current-dependent voltage source looks like, if that helps to see things.
The other approach is to just take things without supernodes. Here, it's three equations (two are KCL, one is an obvious relationship) and three unknowns:
$$\begin{align*}
\frac{V_{_\text{A}}}{R_1}+I_2&=I
\\\\
\frac{V_{_\text{C}}}{R_2}&=I_2
\\\\
V_{_\text{C}}&=V_{_\text{A}}-2\:\Omega\cdot I_2
\end{align*}$$
Solving those and looking only at the solution for \$V_{_\text{A}}\$ you will find that \$V_{_\text{A}}=3\:\Omega\cdot I\$. Same answer. Just done differently.
And there are many other ways to go.
I1is the current in the 6 Ohm resistor. You don't know what that might be. But suppose you applied a 6 volt battery across A (+ side) and B (- side.) Then there would be 1 Amp through the 6 Ohm resistor, right? The dependent voltage source would then be required to present 21 A = 2 volts across itself. But there are 6 volts between A* and B. This means there must be 4 volts across the 4 Ohm resistor. Otherwise things would not add up right. But it's not clear to me if you are wanting to use nodal to achieve the same result, or not. Or some other method. – periblepsis May 14 '23 at 10:51A. Clearly, this means 2/3rds of the remaining voltage is across the 4 Ohm resistor. This alone should tell you that the dependent voltage source looks like a 2 Ohm resistor. But you can take the trouble I mentioned about injecting a current and seeing what voltage you get. It's just not needed. – periblepsis May 14 '23 at 12:16