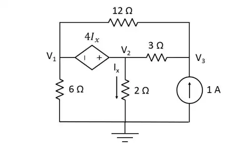
V2= 4Ix + V1 (1)
V1 Node
V1/6 + V1-V3/12 + V2/2 + V2-V3/3 =0 (2)
V3 Node
1 + V2-V3/3 + V1-V3/12 = 0 (3)
I can get this three equation by text book, but I can't understand equation (1). Can anyone explain how can I get equation (1)?
V2= 4Ix + V1 (1)
V1 Node
V1/6 + V1-V3/12 + V2/2 + V2-V3/3 =0 (2)
V3 Node
1 + V2-V3/3 + V1-V3/12 = 0 (3)
I can get this three equation by text book, but I can't understand equation (1). Can anyone explain how can I get equation (1)?
Can anyone explain how can I get equation (1)?
\$V_2 = 4\cdot I_x + V_1\$ is correct in that the voltage at the node marked \$V_2\$ is the series addition of the voltage at node \$V_1\$ plus the dependent voltage source output given by \$4\cdot I_x\$
Voltage \$V_2\$ also equals \$I_x \times 2\text{ }\Omega\$