I'm working on a project which enables two USB ports on the NanoPi Neo core board.
One is a USB Type-A Female, to connect devices with a regular USB cable, and the other one should be USB Type-C Female, to use a USB Type-C Male-Male cable to connect devices, NanoPi will act as a Host where we will connect devices.
USB Type-A is easy to connect and it's working ok, but USB Type-C Female only provides power, no connection is stablished.
This answer refers to the USB Standard, which points to pull-down with a 5.1k resistor A5 (CC1) pin, which doesn't work, but, in the correct answer, it states to be a USB-C to USB-A conversion diagram, which is not our goal. Anyway, it didn't work.
This guide, in section Converting USB 2.0 Device and Host SoCs to USB Type-C, adds two pull-down 5.1k resistors to both CC pins and that's it, no other changes, but no "connection" to the device.
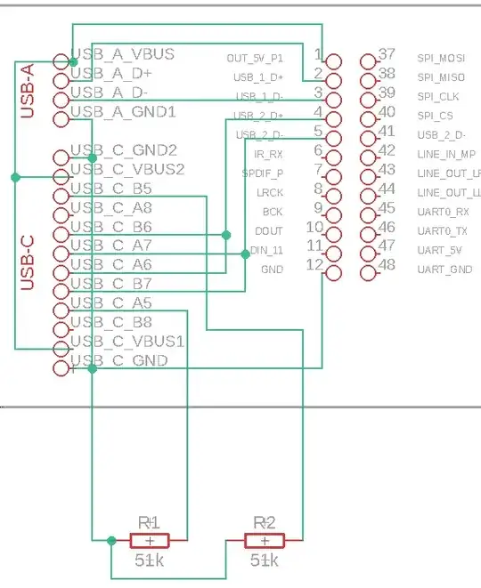
This question, which points to the previous link, includes a diagram which illustrates both CC pins to be pulled-down to just replace the connector.
And for the final one, this link bears out the correct wiring I'm using:
- USB-C GND1 + USB-C GND2 -> NanoPi GND
- USB-C VBUS1 + USB-C VBUS2 -> NanoPi 5vOUT
- USB-C B6 + A6 -> NanoPi USB2_D+
- USB-C B7 + A7 -> NanoPi USB2_D-
- USB-C A5 -> 51k Pulled-Down
- USB-C B5 -> 51k Pulled-Down
This should be the right diagram, but for any reason it's not working. I'm I missing something? I'm I using the right diagram? Is this, use a USB-C Female instead of a USB-A 2.0 Female, doable?
