I'm delving into the topic of ionization chambers, but as someone without a background in electrical engineering, I'm finding the equivalent circuits a bit challenging to comprehend. Specifically, I'm puzzled by the placement of the chamber's capacitance in the equivalent circuit. I thought if the capacitor symbolizes the ion chamber's capacitance, it should be on the left of the voltage generator. But in the picture, it's on the right. Why is it positioned like that?
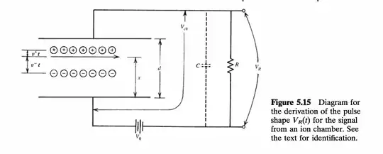
another image, in which \$V_{ch}\$ is the voltage across the chamber, is the following
Source of the pictures is the book Glenn F. Knoll-Radiation Detection and Measurement






