1

I am studying analog circuits and see a problem in my textbook (Sedra.)

In the problem, I want to make an audio amplifier to pick up the microphone output and drive an 8Ω speaker for a 4W output.

In the problem condition, the output impedance of microphone (signal) is 500Ω, and 100mV AC.

The load impedance is 8Ω, and the maximum power delivered to the load is 4W. At that time, the peak voltage swing is 8V.

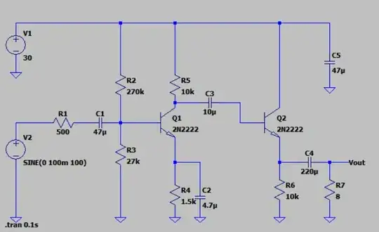
I made a circuit, but my amplifier doesn't seem to provide enough gain. I used a 2N2222 BJT with I_c = 800mA with a 30V supply using a current bias stage.

enter image description here

Here is my Vout graph:

enter image description here

Is the circuit wrong or is the value or resistor wrong? I want to make Vout with 8V swing.

Null
  • 7,603
  • 17
  • 36
  • 48
Son
  • 11
  • 1
  • https://electronics.stackexchange.com/questions/368614/why-cant-class-a-amp-drive-8-ohm-speaker-with-just-one-bjt – Mattman944 Oct 04 '23 at 06:56
  • that circuit was from Sedra?????? It's wrong in multiple places. Give a page/figure number. – Neil_UK Oct 04 '23 at 07:00
  • @Neil_UK: As I read it, there's a task in the Sedra book. The circuit is Son's attempt at solving the task. – JRE Oct 04 '23 at 09:33
  • You cannot connect C3 like that means Q2 has to be biased. Otherwise after few periods the C3 coupling stops work. – Michal Podmanický Oct 04 '23 at 14:22

3 Answers3

4

You need to harness a quantitative mindset. Not hand-waving or copy-and-paste.

First step is to convert the \$4\:\text{W}\$ into \$8\:\Omega\$ specification into a waveform specification. Here, you should know (or be able to develop) the fact that you need to cause \$\pm\sqrt{2\cdot 4\:\text{W}\cdot 8\:\Omega}=\pm 8 \:\text{V}\$ applied to the speaker. From this, you must recognize that you need to achieve \$A_v=\frac{\pm 8 \:\text{V}}{\pm 100\:\text{mV}}=80\$ as your voltage gain.

You should also realize that you need a 2-quadrant driver to directly operate the speaker. There are several common forms of such a driver but this will usually either be a class-A or else a class-AB type. So this would be the next thing you must decide on. Regardless, these drivers sub-circuits usually do not have any voltage gain to them. They are focused on providing current gain in order to supply power into the load. Not voltage gain.

So the next step is select an output stage with \$A_v\le 1\$ and recognize that the \$A_v=80\$ part remains to be developed elsewhere in the circuit.

You should also realize that with a source impedance of \$500\:\Omega\$ that there will be some attenuation with any simplified discrete (read: textbook case) CE BJT stage. This is the next step -- deciding on what your microphone transducer input stage looks like. You could select the CE stage I see in your circuit. This will mean some attenuation of the input signal, necessitating still higher \$A_v\$. Or else you could select a long-tailed pair stage, which will present a much smaller load to the microphone and therefore less attenuation. But at the cost of more complexity. You could also use a bootstrapped version of the CE stage, which also presents a much lighter load on the microphone but adds a resistor and a capacitor to the circuit. And there are still other means, too.

Once the input stage (the section designed for your input transducer) and the output stage (the section designed to drive your output transducer), then you can work out what goes on in between these two in order to deliver the required total gain.

If you go for one of the highest gain CE stage types -- one that uses a grounded AC emitter via a capacitor -- then you will need global NFB in order to avoid distortion in the final result. So global NFB is yet another consideration. But that approach basically starts out with way too much voltage gain and then throws most of it away in order to achieve the designed voltage gain, while creating a low-distortion signal output into the speaker load.

In short, designing to goals like this involve some breadth and depth of knowledge and making some choices among them for the specific given task.

One thing you do not do is paste together stuff in ways you don't fully apprehend in order to try and achieve vague and unprocessed goals you've not first turned into meaningful forms that you can use as a guide for a proper design.

Your specific design above fails for the following reasons:

  • Grounded AC emitter 1st stage -- because its voltage gain is temperature dependent and signal dependent and therefore causes distortion and presents an unmanaged voltage gain.
  • Emitter follower speaker driver -- because this isn't a 2-quadrant design and simply won't work. Especially so when using a \$10\:\text{k}\$ pull-down. This really can't be fixed by changing the \$10\:\text{k}\$ pull-down, either, without insane excess power dissipation and the need for lots of heat-sinking. The stage itself is fundamentally a wrong choice.
  • No DC biasing for the emitter follower. (The capacitor isolates the stage guaranteeing a subsequent loss of DC biasing for the stage.)

That's just on the surface. There are additional details that are the consequence of those decisions.

(Note: You can find some discussion of class-A and class-AB output stages here on EESE.)


So, to get some useful thoughts and not just a bunch of complaints, you need to write a lot more about what you are comfortable using for a design and what you are supposed to know about, by now. If you are not familiar with class-A or class-AB output stages, you need to say so and then explain why it is that you are being asked to perform a design that requires that knowledge while not possessing it. Etc. Otherwise, we have no basis upon which to offer helpful thoughts and suggestions that you can turn into a design of your own making.

One thing that is clear. The use of a \$30\:\text{V}\$ rail is, in fact, more than sufficient for the delivery of the required power into the speaker. In fact, it might be over-kill. \$20\:\text{V}\$ might be sufficient. But \$24\:\text{V}\$ certainly would be adequate. So that choice isn't a problem.

If you write more about yourself and where you are at and some thoughts about where you are also limited, I'll expand this answer with more concrete details. Otherwise, this is where I stop.

periblepsis
  • 8,575
  • 1
  • 4
  • 18
1

The circuit is wrong. Q2 will supply a reasonable current to the load for positive swings. R6 is way too large to supply any reasonable current to the load for negative swings.

You need a push-pull output, with an active device to pull down as well.

Look for audio amplifier output stages.

Neil_UK
  • 166,079
  • 3
  • 185
  • 408
1

The first stage amplifies the input and outputs with an offset of almost half the supply voltage (13.5V, by calculation). But this offset is removed by C3.

So the output buffer formed by Q2 is not biased therefore it can't output the negative swings. It needs to be properly biased in order to get the negative swings.

PS: amplification factor of the first stage seems a bit high (~500 if I calculated correctly). Reduce it but still keep the offset in mind. Also, the high-pass filter formed by C4 and load (8R) brings a low-cut at 90 Hz so you'll get reduced amplitude for your 100 Hz input.

Rohat Kılıç
  • 33,940
  • 3
  • 29
  • 85