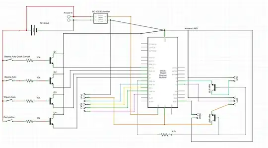
Can I please get some inputs as to what is missing or incorrect in my schematic? I am building a controller box with an Arduino to control a car's beams and wiper motor speeds.
I will do a quick walk through. I will control the headlights with a LDR and solar cell. I don't have the rain sensor yet as I am looking at building this with a a sensor that will push light and a sensor that will receive the light.
I have a full time power connection to the Arduino with a DC/DC converter and then 4 switches that will control the ignition, beam auto on, wiper auto on and beam auto cancel override. For these switches I want to use 2N2222A transistors with 12V incoming on the base and earth through the collector and emitter. Between these power and transistors I have a 10k resistor, then I use same transistors on the LDR and solar cell as I don't want these to permanently send data only when the ignition is on, and there I have a 4.7k resistor. To control the beams and wipers I will use 4 relays and this will be controlled by my two output connections.



