I'll be powering a Raspberry Pi Zero 2W, and want to be able to power it for a while using an 18650 cell. But as rechargeable batteries are a fire risk, I want to be a bit more sure I didn't miss anything.
I looked into a couple of off the shelf solutions.
Pimoroni LiPo SHIM - does not support charging an off the shelf MH-CD42 charging board - No schematics available. I don't fully trust that it properly handles in-circuit charging (charging while running the Pi).
I used a couple sources:
- Using TP4056 module to charge battery while load remains connected
- https://dlnmh9ip6v2uc.cloudfront.net/datasheets/Prototyping/TP4056.pdf typical application circuit
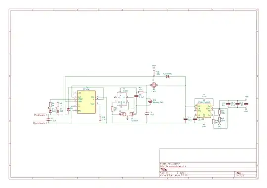
I checked my circuit multiple times, and think it should work. Did I miss anything? Is this circuit safe?
If instead of using an op-amp I'd go for two cells in series, what circuitry would need to be doubled? Where are some good sources to read into this more?
