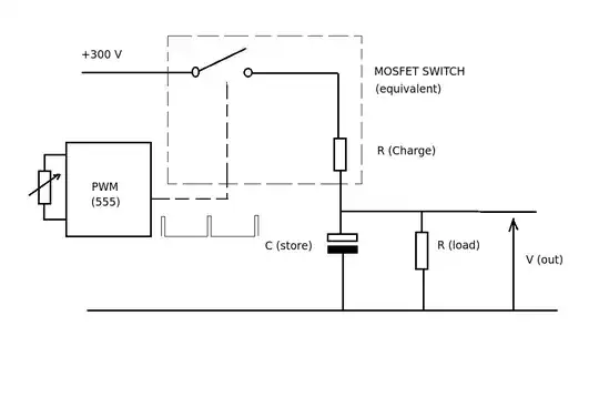
I plan on using a 555 timer for a PWM signal (variable with a potentiometer) and a gate driver to use a MOSFET as a switch. Essentially, I am trying to take a +300V rail and "step" it down using the PWM. The total current through the MOSFET wouldn't likely be more than 25mA, and would be more likely under 10mA. Mostly, what I am wondering is if it is safe to leave the MOSFET on for an extended period of time- at most, a few hours. I see no problem, but I haven't exactly tried it either.

I also understand that the greatest losses are switching losses, so I'll try to minimize the switching frequency while still providing a, relatively, clean output that capacitors can filter.
The alternative to using such a PWM scheme is to simply put the potentiometer on the voltage rail and generate a drop across that, but that would likely load the circuit more than the MOSFET would, which is why I prefer the MOSFET.



Peter, I've come to realize something. This is not a trivial circuit to design at all. I've been playing around with simulations for a good couple hours now, and I am no closer to a good solution than I was when I first set out to design it. Ultimately, I am looking for a high efficiency DC-DC converter circuit that takes ~275V and converts it (adjustably) to 150-250V.
– Hari May 18 '13 at 08:07