0

The following is from the book Design of Analog CMOS Integrated Circuit, page 307.

enter image description here

KCL at node F.

$$ (V_{in} - V_F) g_{m1} + \frac{V_{out} - V_F} {R_F} = \frac{V_F} {R_S}$$

$$\Rightarrow V_F = \frac{V_{in} g_{m1} + V_{out} / R_F} {g_{m1} + 1/R_F + 1/R_S}$$

$$\Rightarrow \beta = \frac{1 / R_F} {g_{m1} + 1/R_F + 1/R_S} = \frac{R_S} {g_{m1} R_F R_S + R_F + R_S}$$

However, the book said this

$$\beta = \frac{R_S} {R_F + R_S}$$

Where am I wrong?

kile
  • 798
  • 2
  • 11
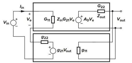
  • It seems like you don't understand the model. Check Figure 8.51 for the G model. $ \beta = g_{21} $, and you can see why the book calculated $ \beta $ that way. – internet Mar 06 '24 at 11:06
  • @internet but You write similar formula as mine under comment of https://electronics.stackexchange.com/questions/701003/what-is-the-feedback-beta-for-this-resistor-feedback – kile Mar 06 '24 at 11:12
  • They could be different depending on how you model it. – internet Mar 06 '24 at 11:14
  • @interent Could you please explain why you write this equation at the beginning? – kile Mar 06 '24 at 11:28
  • $ g_{21}$ is open circuit voltage ratio so the formula in the book is correct. – internet Mar 06 '24 at 11:30
  • @internet Could you please point out where my equation is incorrect? – kile Mar 06 '24 at 11:48
  • I haven't looked at your equation in detail, but the issue is not that your equation is incorrect. You need to consider the model; beta values of different models are not necessarily the same. Razavi explained it himself somewhere on YouTube if I rememeber it correctly. – internet Mar 06 '24 at 11:57

1 Answers1

2

From Figure 8.51 in the book, you can see that the author modeled the feedback network as G parameters, as in the images below (all taken from the book by Razavi above).

enter image description here

enter image description here

The feedback factor \$ \beta \$ in this model is equal to \$ g_{21} \$: $$ g_{21} = \frac{V_2}{V_1}\bigg|_{I_2=0} $$ In this case, \$ g_{21} = V_F/V_{out} \$ when there is no current from the MOSFET. $$\beta = g_{21} = \frac{R_S} {R_F + R_S}$$ enter image description here

internet
  • 544
  • 1
  • 3
  • 13
  • What's two port network in this cmos circuit here? Can you mark them in the box? Do you mean $I_1 = I_S = I_F $ – kile Mar 08 '24 at 09:20