First of all, thank you so much for your interest in my question.
Introduction
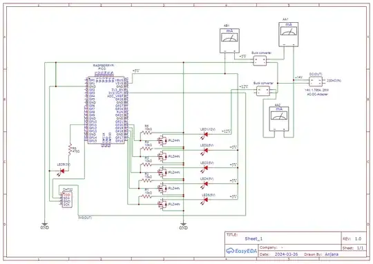
The following is a schematic diagram I drew up to represent my Raspberry Pi Pico WH - LED lamp project. I am controlling one 12V LED (LED1), four 5V LED strips (LED2, LED3, LED4, LED5), one Temperature and Humidity Sensor (DHT22), and one 3V LED (LED6) using my Raspberry Pi Pico WH. One 12V LED and four 5V LED strips are used as my lamp lighting. One 3V LED is used to indicate that the Pico is connected to Wi-Fi. I am running a webserver inside the Pico, so I can remotely turn on and off individual LEDs (LED1, LED2, LED3, LED4, and LED5) as I wish + read the temperature and humidity measurements.
I have provided all my components in the "Components" section below and also given links to the items where appropriate. All the components are assembled on a breadboard.
I am using a 230VAC-IN, 14VDC-OUT power adaptor to power up the whole project (e.g., an old Samsung monitor power supply). I then use a buck converter to step down from 14VDC to ~5VDC to power up the Raspberry Pi Pico WH and four 5V LED strips, and another buck converter to step down from 14VDC to ~12VDC, to power up the 12V LED.
I would like to point out to you the following values in ammeter AB1:
| When? | Current flowing through AB1 Ammeter |
|---|---|
| LED1, LED2, LED3, LED4, and LED5 are Off & LED6 is On | 90mA |
| Just the 12V LED (e.g. LED1) & LED6 are On | 170mA |
| LED1, LED2, LED3, LED4, LED5 and LED6 are On | 930mA |
Also, when all the LEDs are on, the values for AA1 & AA2 ammeters are as follows:
| Ammeter | Current flowing through the Ammeter |
|---|---|
| AA1 | 350mA |
| AB1 | 170mA |
Problem
In general, the lamp works as expected, whether all the LEDs are on or off. I can remotely turn on and off individual LEDs (LED1, LED2, LED3, LED4, and LED5) as I wish + read the temperature and humidity measurements.
However, on a number of occasions during the day, I noticed the Pico restarts regardless of whether any of the LEDs (LED1, LED2, LED3, LED4, and LED5) were on or off.
I have been through my code on numerous occasions and still haven't found a reason for this restarting issue. I am not entirely ruling out potential issues in my code. However, I would like to ask all electronic experts on StackExchange platform: do you find any issues in my schematic diagram below? I would be very much delighted to hear your feedback.
Please let me know if you need any other information in order to share your findings. I am happy to provide :)
Components
- 1 x 30VAC-IN, 14VDC-OUT power adaptor (Out = 14V, 1.786A, 25W)
- 1 x Raspberry Pi Pico WH
- 2 x Buck converters (5-32V, 5A DC to DC Step Down Buck Converter)
- 5 x IRLZ44N MOSFET
- 4 x 5V LED Strips
- 1 x 12V LED bulb (PHILIPS G4 CAPSULE LED LIGHT BULB 205LM 1.8W 12V)
- 1 x DHT22 Sensor
- 1 x 3V LED bulb (to indicate WiFi status)
- 5 x 10kΩ resistors
- 1 x 470Ω resistor
Thank you very much

Thank you
– Anjana Silva Mar 26 '24 at 09:16