If I am connecting ICs to both sides of a led matrix, the ICs need to be able to source and sink enough current to light the LEDs? Or just sink?
Let me explain my question with an example:

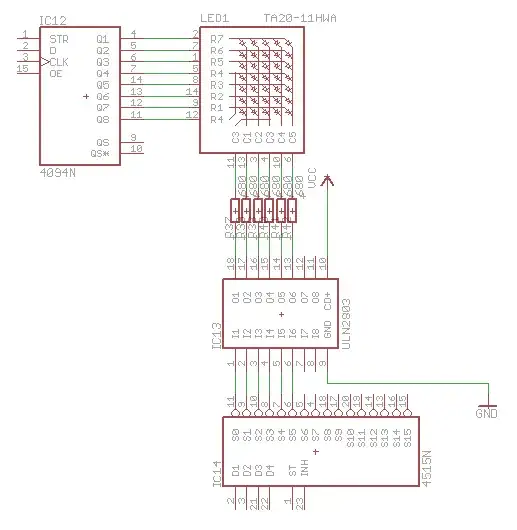
In this diagram, I select which row is illuminated on LED1 through IC12 (a shift register). The column is selected through a demux (IC14). The LED matrix current is sunk through IC13, a ULN2803 transistor array.
I know that the ULN2803 (IC13) can sink enough current to light all LEDs. However, IC12 can only source 25mA, and lighting all the leds in a row would take around 100mA. Do I also need to put transistors in the source side of the LED matrix? If not, then what is the recommended setup for what I'm trying to do?
Please bear with me that I'm a beginner. If my question is not clear, please indicate so that I can edit it.

