1

USB is by far the most widely used serial bus by consumers. Plugging any device in any USB port is safe from hardware point of view.

On the other hand, the common DC power jack . For example this guy is quite common, but without regard for the output voltage shape or size:

enter image description here

I recently ruined an expensive device by plugging a 12VDC power supply into it, instead of 5VDC (I was using two devices, that need different voltages, but have the same connector).

Is there a standard that prevents connecting a device with a power supply of the wrong voltage? E.g. square plugs for 5V, triangle for 12V etc. Or PC-like molex connector with the not needed voltages hallow? enter image description here

joeforker
  • 5,656
  • 10
  • 40
  • 59
Vorac
  • 3,131
  • 5
  • 31
  • 55
  • 1
    Prism for 6V, Hexagon for 7V, Dodecahedron for 15V, and so on....At some point you would probably run out of practical configurations and need to overlap at least some point, which would ruin the entire idea behind it. – scld Oct 11 '13 at 13:46
  • Also, note there are what, four different USB connectors? – Andyz Smith Oct 11 '13 at 13:50
  • @ChrisL, just the more common configuration! How many devices use anything different from those voltages for input: 4.2, 5, 9, 12, 15, 12AC? Note that configurable PSUs will still brake this rule. The rule is intended to help when you have 5 devices with their supplies and need to plug them in and out every day => high probability of error. – Vorac Oct 11 '13 at 13:51
  • Voltage isn't the only issue here. Current also matters. Do you have pictures of the plug that did the burning? I'm wondering if it has the output voltage or current marked on it. – Shabab Oct 11 '13 at 13:54
  • @Shabab, the plug is the one shown in the post. The used adapter is 12VDC 3A, the correct one is 5VDC 4A. – Vorac Oct 11 '13 at 13:56
  • Sorry, for the confusion earlier. I was actually asking about the plug on the other end-- the plug that actually goes into the wall-socket. – Shabab Oct 11 '13 at 13:59
  • It probably ought to be standardised, but that does run the risk of locking in problems (micro-USB connectors seem to be a common cause of failure on phones). Even just standardising 12V and 9V barrel jacks would be useful. – pjc50 Oct 11 '13 at 14:06
  • Well, many laptops use varying supplies up to 19V. There's also 3.3V that's common. But to be serious, the main reason there isn't a standard is that so many of these things are proprietary in nature. I'm sure standards have been proposed in the past only to be superseded later on.

    I'm not saying I don't like the idea, but if you get comfortable with "if it fits, it'll work", then more mistakes might be made. I'd rather know that I need to check every single time.

    – scld Oct 11 '13 at 14:11
  • Something that cost $5 doesn't worry me if it smokes but something that costs +$100 worries me because you'd have thought at that price the designers could have thrown $1 at protecting it a bit more - even a fuse and a zener would have done. I blame the equipment that failed. Yeah, I know 10% of the profit could be $1. – Andy aka Oct 11 '13 at 14:13
  • @Andyaka, this might be a valid answer. If I am getting you correctly, protecting the equipment in some other ways is preferable for whatever reason. – Vorac Oct 11 '13 at 14:51
  • @Vorac I'm suggesting that the equipment that cost hundreds of bucks should have considered that someone could have put 12V into its power plug instead of 5V. They could have designed their circuit board with a 5.6V zener across the incoming 5V from the socket and this incoming supply could have been fused at say 2A - when 12V is applied there would be excessive current flowing into the zener and it would blow the fuse. What I'm really saying is that the equipment that "smoked" was expensive enough to warrant incorporating a fuse and zener. I can post it if you think this is valid. – Andy aka Oct 11 '13 at 15:19
  • @Andyaka, I burn a CPU core, so I'm not sure a fuse with say 50ms action time would have saved it. More generally, however, some advanced protection cirquit maybe could have saved it. In that sense, it is a valid answer IMO. – Vorac Oct 11 '13 at 15:39
  • Talking about why things are as they are is rather pointless in this case. It is the way it is. It's not standardized because no such standard is widely accepted. Get over it. This question is really off topic. – Olin Lathrop Oct 11 '13 at 16:09
  • I'm thinking: DC voltage could equal to the outer diameter of the plug. That way you could see the voltage of the plug and not connect a too high voltage in a smaller plug and connecting a plug in a socket supposed to have a higher voltage won't get killed. AC could use a different ratio of outer/inner diameter or simply square plug. The max current could be determined via the thickness of a middle pin, or the resistance of the middle pin to ground. – Gunnish Oct 11 '13 at 19:22
  • 2
    @OlinLathrop I disagree with you on this one. It's a perfectly sensible thing for engineers to contemplate about standards or about why there isn't one. We also found in this thread that there indeed is a voltage-diameter standard. Not a bad thread overall. – Nick Alexeev Oct 12 '13 at 23:47

5 Answers5

11

I guess it's a real problem trying to standardize on connector size/shapes for different DC supplies - what to do the with AC supplies as well?

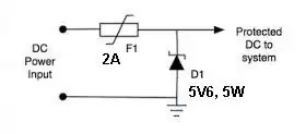
The op has "smoked" equipment that cost hundreds of bucks by mistakingly plugging in a 12V dc adapter instead of the 5V adapter and I can't understand why the expensive equipment didn't use a fuse and zener to protect itself.

enter image description here

Providing that the equipment running nominally from 5V took no more than 1.5A (and 2A under overload) the values shown would work: -

enter image description here

To the left above there is the time limit graph of the 1N5339B 5.6V 5W zener diode and to the right is a typical characteristic of a 2A fast blow fuse. It can be seen that the zener can take 6A for 1 second or 9A for 100 ms, whereas the fuse gives up the ghost at 4.1A in one second and (for comparison) 6.6A in 100 ms. This on all but the worst days means the zener will survive and the fuse will blow. It's a little close but I'm trying to demonstrate the principle and my earlier guess at values is about right. Thanks to supercat for reminding me I needed to justify this.

A zener would also offer some protection against the power being applied in reverse (all barrel connectors do not observe same polarity).

Different values will suit different applications of course.

There are better circuits that can take bigger overloads such as crow-bar circuits but my point is made and my deapest sympathies to the OP's wallet!

Andy aka
  • 456,226
  • 28
  • 367
  • 807
  • Some countries have standards that demand protection from too high a voltage supply, up to a certain voltage. China MII Communications Standard YD/T 1591-2006 (for example). – Nick Alexeev Oct 11 '13 at 17:08
  • @NickAlexeev does that apply to both power AC and low-voltage supplies from AC adapters - makes sense. – Andy aka Oct 11 '13 at 17:26
  • 2
    If your supply were to push out 2-3 amps with as much voltage as was required to push that much current through the zener, that zener would likely pop before the fuse. What's needed is either something which will block current when the input voltage is out of spec, or else something that tries to minimize power dissipation everywhere but the fuse. – supercat Oct 11 '13 at 20:28
  • @supercat by a close margin it will work - see diagrams attached to answer and thanks for questioning my guesstimate values. – Andy aka Oct 11 '13 at 21:22
  • @supercat +1. The question "how to size the Zener and PTC fuse" was in the back of my head for a while. Would +1 Andy again, if I could. – Nick Alexeev Oct 12 '13 at 21:06
5

Here is the obligatory XKCD post:

enter image description here

http://xkcd.com/927/

Szymon Bęczkowski
  • 2,605
  • 15
  • 21
Lior Bilia
  • 191
  • 4
  • I liken this to the OBD II. They actually just took all the competing standards, fabricated a protocol negotiation standard, and forced all manufacturers of scanning devices to be able to negotiate and initiate all FIVE protocols. Thus standardization. hehe – Andyz Smith Oct 11 '13 at 18:44
  • If a company sells its product with a power supply, the ability to plug other power supplies into that product (which might arbitrarily work, harmlessly do nothing, kinda-sorta work, or destroy the device) might not be regarded as a "feature". Except in cases where some other power supply would be in some way better than the supplied one, having every different unit's plug be different would be a better situation than having plugs which fit but don't always work. – supercat Oct 13 '13 at 18:25
3

Because there is a standard plug type by voltage. It's called EIAJ RC-5320A. (http://en.wikipedia.org/wiki/EIAJ_connector). For example I had a laptop that used these plugs. The connectors are slightly more expensive than the (non-)standard barrel jacks.

joeforker
  • 5,656
  • 10
  • 40
  • 59
1

2(two) because the physical, form factor, locking action or no locking, number of conductors, etc, etc are all different. each requirement is a little bit different and different connectors have sprung up.

1(one). Manufacturers make more money on accessories if you have to buy it from them before the hordes start cloning it. Standardizing it cuts their profits from the start.

3(three) In an attempt to save money manufacturing cheaper goods, manufacturers use plugs that already commonly used for one thing, for another, without much regard for consumer usability.

Andyz Smith
  • 395
  • 2
  • 12
  • Don't 1 and 3 contradict? Concerning 2, true. However my proposal is for an optional standard (like the USB charging nowadays) - if one can't implement it, one does not. – Vorac Oct 11 '13 at 13:54
  • 2
    @Vorac yes, of course they do. My answer is thus 'depending on business'. this issue is just not important enough for the government to set a safety standard. that is the only way to actually get what you are after. There just isn't any profit motive for the industry to choose universally between 1 and 3. depending in business, 3 sometimes, and 1 sometimes. leading to a mess. – Andyz Smith Oct 11 '13 at 13:59
0

Speaking from the dangerous area which is my personal opinion, there really should be no need for standardisation here.

I expect to be able to connect a 12v supply to a device which expects 5v and expect it not to be damaged, and from my experience this is usually the case.

A more realistic reason may simply be cost, using the same power connector for multiple devices would be much cheaper then having to use a specified connector for a certain power rating, and much cheaper then using proprietary connectors.

The only standardisation I like to see in power connectors (at least low power ones) is the use of either USB or 2.1mm barrel jacks (a little part of me dies inside when I see a device using something else when it doesn't need to).

  • 2
    A manufacturer may be faced with a choice between either (1) at a cost of ten cents per unit, add circuitry to allow the input that expects 3.6 volts to harmlessly shut down under overvoltage conditions up to 15 volts; (2) at a cost of one cent per unit, use a custom connector; (3) use a standard connector and hope nobody gets upset when plugging in the wrong power jack fries their equipment. Is there any particular reason to disfavor approach #2 versus #1? – supercat Oct 13 '13 at 18:30
  • And what about the cost of having power supplies with said custom connector produced? –  Oct 14 '13 at 06:45
  • If one is making fifty pieces, that cost will be significant. If one is making 50,000,000, one would likely want to pay for one's own tooling regardless of whether one was using a standard or custom connector, and using a custom one could actually be cheaper. – supercat Oct 14 '13 at 15:16