I am transforming an old battery-only radio so I can connect it through a DC input. I found an earlier model diagram that includes the DC input (picture attached). I have connected a 18 V DC source (Switching Power Supply from Maplin). However, even using the 0.01 uF capacitor I still have quite a strong hum. What else could I do to further smooth the input? Would it make sense to connect more capacitors in parallel?
I have tried to find a way to calculate the decoupling capacitance or even simulate it without success.
Here is a sample of the hum I'm hearing (I'm setting the volume up and down so the hum can be identified):
http://jorgepena.net46.net/AudioRecording.mov

UPDATE
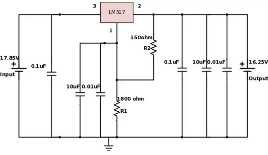
As suggested I have implemented the circuit shown below. It reduces the hum to about half of its volume without reducing the music volume. Is there anything else I could do to further reduce the high frequency hum? Would it make sense to decrease the voltage to 15.5 V or to add more capacitors?
