2

I am using electronic switches to create non-TTL square wave clocking. The oscilloscope graph demonstrates two measurements:

enter image description here

Yellow signal: 0-8V Blue signal: 0-5V

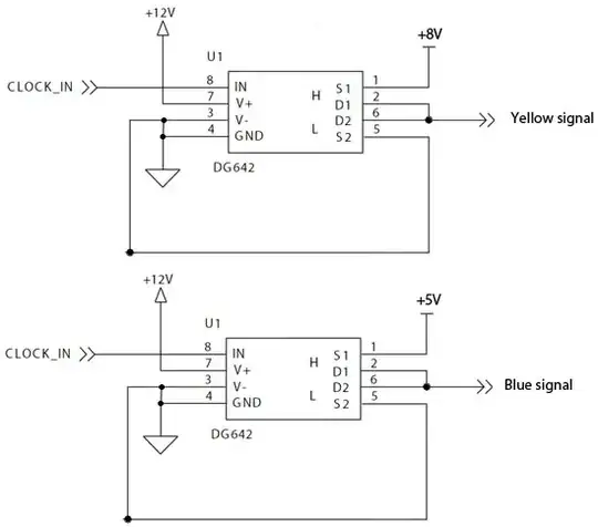
As you can see, yellow signal is contaminated with small voltage jerks every time the blue signal goes high or low. I use microcontroller to drive DG642 switches, which in turn output high/low voltage; the schematic below represents the connections.

enter image description here

The power of +5V and +8V comes from independent power supplies. Connecting 10uF bypass caps to pin(1) of each switch does not help. Why does such signal contamination happen and how to fight it?

Nazar
  • 3,172
  • 4
  • 36
  • 64
  • If you connected 1 oscilloscope lead to the 12V power rail do you see the same problem? What do you see if you connect probe and clip to 0V (I know it sounds stupid but the noise might still be present indicating a scope issue)? – Andy aka Jan 15 '14 at 15:38
  • Actually you are right: when I connect the probe to +12V or to 0V the jerks are present too. So... what's wrong with my scope?? – Nazar Jan 15 '14 at 16:11
  • 1
    First adjust your probes using the square wave calibration signal on the scope. Then add bypass 0.1uF ceramic and 1uF tantalum very close to power pins and ground of the switches. – C. Towne Springer Jan 15 '14 at 17:47

2 Answers2

1

Crosstalk such as this can be caused by many things. Among them:

  • noise on the power rails
  • mutual capacitance
  • mutual inductance

Moreover, your scope probe is susceptible to these things also. Depending on exactly how you attach the probe, what kind of probe, what kind of scope, where the cable is lying, etc, you change the circuit, and thus its behavior.

In particular, when the scope's ground connection is far away from the tip, this adds a lot of inductance to the probe. Here's a very common solution: What is the name of this springy type oscilloscope probe accessory?

The solution to this sort of problem (if there is indeed a problem, and not a flaw in your measurement technique) is a combination of careful layout to reduce unintended capacitive and inductive coupling and provide clean power rails, and making components tolerant of the noise that remains.

Phil Frost
  • 57,310
  • 18
  • 145
  • 267
  • Is there a way to fight the overshoot at the rise/fall transitions? Maybe those overshoots affect the other signal? – Nazar Jan 15 '14 at 16:48
  • @Naz sure, decrease the Q of the circuit, either by decreasing inductance or increasing resistance. However, from the sound of your comments it sounds like this is more a problem with your measurement than the DUT. Furthermore, is this noise really a problem? It doesn't look so bad. – Phil Frost Jan 15 '14 at 17:03
0

To fight overshoot at the rise/fall transitions, add a very small capacitor between signal and ground.

Cross-talk is usually caused by the three things Phil stated:
Noise on the power rails
Mutual capacitance
Mutual inductance

horta
  • 12,818
  • 23
  • 45