I'm starting to learn what I can about electronics, and recently decided to follow this (and similar) guides to building a bench power supply out of an ATX PSU:
In this guide, there is a schematic to take the +12V and -12V lines and combine them with a potentiometer to output a range of voltage up to 24V.

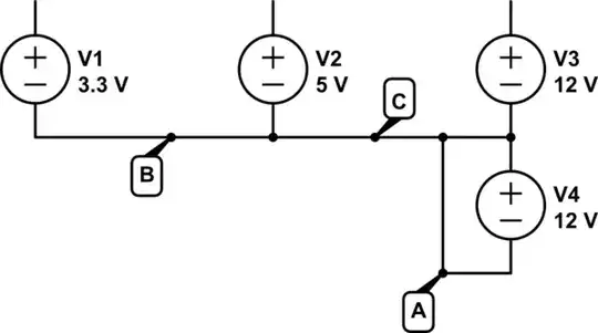
(source: instructables.com)
I followed the guides and built the circuit as shown (using an LM317 voltage regulator) and the potentiometer shown here: http://www.amazon.com/gp/product/B009QFU9H4/ref=oh_details_o03_s00_i00?ie=UTF8&psc=1
Each of the 3 power rails (3.3V, 5V, +12V) are connected to a fuse, then to a binding post, while the negative binding posts go to ground. As an extra feature, an LED is wired in parallel with the binding post (and a current limiting resistor) so I have a visual indicator as to whether the fuse is blown. For the variable 24V output, there is an LED (with current limiting resistor for 12V) tied in parallel off of the +12V line used for the variable voltage. My questions are regarding the 24V output and... what I apparently screwed up.
Upon testing the circuit, I connected a voltmeter to the 24V output and ramped up the potentiometer. It released its' smoke about halfway up, so I aborted the test and connected the leads that went to the (now dead) potentiometer to an ammeter. I figured maybe there was too much current for the potentiometer. Shortly after powering on the supply again, the voltage regulator in the circuit below fizzled out of existence and I killed the power before any further damage could take place.
My theory is that I'm not understanding how this 24V is being produced properly, and that perhaps the ground from the LED on this connection is somehow causing everything else to fail. Or, that the potentiometer couldn't handle the amperage, and perhaps the LM317 died because there was no heat sink and it simply overheated. I'd like to know (a) if my theories are correct, and (b) if there is a way to fix this and allow it to function the way I am expecting. It's hard for me to understand how the 24V variable line is not grounded and can still work properly, and perhaps I shouldn't be attempting to build a circuit I don't completely understand.
If I can provide any more details that will help, please ask away! I'm assuming that if I can't make this function properly, I could replace the potentiometer, remove the variable circuit below and simply use the +12V rail with the potentiometer in line to regulate from 0-12V. (I don't have anything that I could immediately imagine using 24V for anyway).
Thank you very much for your time and insight!

