3

Circuit 1, gain of 1

Circuit 2, gain of ~30

In the case of the first circuit, The ratio between the input voltage Vin and the voltage at the collector and the ratio between the input voltage Vin and the voltage at the emitter are supposed to be around 1.

In the case of the second circuit, the ratio between the input voltage Vs and the voltage at the output Vout is around 30.

My understanding of the circuit (please correct me if this is incorrect):

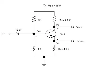
  1. I know the purpose of the resistors in the center region of circuit 2 is to bias the transistor and make it operate at a specific Q-point.
  2. The purpose of the 10uF capacitors is to filter any DC component of the input and output signal, as well as to prevent changing the biasing.
  3. The capacitor across Re is a bypass capacitor, which is supposed to prevent the AC component from affecting the gain through negative feedback.
  4. The purpose of the emitter resistor is to provide negative feedback.
  5. The purpose of the collector resistor (and I am not sure about this) might be to limit the current from the source.
  6. The purpose of the resistor at the output (I am not 100% sure about this either) might be to work as a load
  7. The resistor next to the input signal Vs is used to step down the voltage of the signal, as to use a small signal model in the circuit instead of having to use the large signal model.

Assuming the following: a beta (Ic/Ib) of around 250, R1 of 75k and R2 of 33k for both circuits, and an input voltage Vin of 4 volts peak to peak with a frequency of 1khz for the first circuit,

What controls the voltage gain in circuit 1 and 2 at the collector, and why is the gain in the first circuit only 1?

DiaperHands
  • 772
  • 1
  • 7
  • 22

1 Answers1

1

In this circuit:

The gain from Vin to Vout2 is about 1, and to Vout1 about -1.

That the two gains have the same magnitude with opposite sign can be deduced from the fact that at first approximation, the emitter and collector currents are equal. Since the emitter and collector resistors are the same, the voltage changes across them due to the same current will also be the same.

Actually the emitter and collector currents aren't exactly equal. The emitter current is the collector current plus the base current. However, due to the gain of the transistor, the base current is a small fraction of the collector current. For example, if the gain of the transistor is 100, then the emitter current relative to the collector current is 101 to 100. That can be approximated to 1:1 for many practical purposes.

So now the question comes down to why the magnitude of either gain is 1. This can be answered by looking at the emitter voltage relative to the base voltage. At first approximation, the B-E voltage is fixed, usually around 700 mV for silicon BJTs in their active useful range. Since gain is about how much changes are amplified, the fixed B-E offset doesn't matter. AC-wise, the emitter voltage is the same as the base voltage.

Note that the input capacitor is proof that this circuit is not intended to work at DC. That capacitor specifically blocks DC, and only passes frequencies above some rolloff. Basically, the capacitor forms a high pass filter against the impedance of R1, R2, and the apparent impedance looking into the base.

This circuit is often used with an serial R-C network between the two outputs. The middle point between the R-C added become then a phase shifting network (0 to 180 degrees theoritical)

Olin Lathrop
  • 11,461
  • 1
  • 24
  • 36