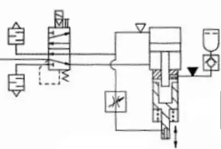
I have trouble understanding the following pneumatic circuit diagram:

I am new to reading circuit diagrams and i am unfamiliar with some of the symbols. I would appreciate if somebody could explain them to me. In particular I have the following questions:
- What does the dotted line in bottom left of the directional control valve mean?
- Why is a control valve with 5 ports used? Isn't one of the port on the left of the valve redundant and a 4/2 valve could be used instead?
- Why are there four ports on the actuator? I am only familiar with actuators with two ports (which would correspond to the top two ports). What are the bottom port and the right port used for?
- What does the symbol in the top right mean?
- What do the triangles on top of the lines mean? Why is one white and one black?
I realize that these are a lot of questions. But as I said, I am new to this. I would also appreciate if anybody could link a free source, there such diagrams are explained systematically. So far I used the Wikipedia page, but there are a lot of symbols/subtleties which are not covered there.