5

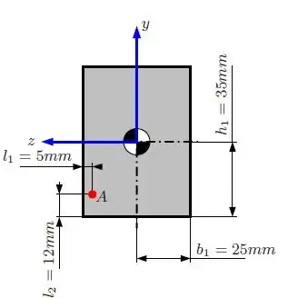
I was trying to find the moment of area about point A on the following figure:

enter image description here

I prefer to use integration, since it can be extended to different shapes, and did this:

$\displaystyle Q_z=\int_{-25}^{25}\int_{-23}^{35}y \, dy \, dz=-17400 \:\mathrm{mm}^3$

However, the solution I have been given states that $Q_z=17400 \:\mathrm{mm}^3$

This made me wonder about two things:

  1. What is the meaning of the sign (if there is any)?

  2. What have I done wrong in my calculation (aka "What am I not understanding here?")

Air
  • 3,211
  • 4
  • 26
  • 47
Akitirija
  • 299
  • 4
  • 8

1 Answers1

6

What is the meaning of the sign (if there is any)?

There is no physical meaning associated with the negative sign in your result; it just means you got the math wrong.

The integral definition of the first moment of area is $\iint_A {r(y,z) \, dA}$, or the sum over the entire cross-sectional area of the product of a differential area element and its perpendicular distance from the axis of interest.* Both area and distance in this sense are conceptually non-negative scalars, regardless of which side of the axis you're on, so your answer must always be non-negative as well.

What have I done wrong in my calculation (aka "What am I not understanding here?")

The sign of your answer is not the only problem.

If you're going to go through the integration process, you must be careful to use the proper distance function $r(y,z)$, which in this case is the Euclidean distance.

In the case where your axis of interest is parallel to one coordinate axis, your distance function is invariant with respect to that axis. If you define your coordinate axes as shown in the figure, with the origin at the centroid of area, then the coordinates of point $A$ are $(-23,20)$ and your distance function is simply the one-dimensional Euclidean distance between the differential area element with height $y$ and the height $y_A$ of the line parallel to the z-axis that contains the point $A$:

$$r(y,z) = |y-y_A| = |y+23|$$

Your integral is now:

$$Q_z = \iint\limits_A |y+23| \,dA$$

All that's left, recognizing that $dA=dy\,dz=dz\,dy$, is to determine the limits of integration. With the origin at the centroid, as in the figure, the limits of integration are the bounds of the area:

$$Q_z = \int\limits_{-25}^{25} \int\limits_{-35}^{35} |y+23| \,dy\,dz$$

It's hard to say exactly what your mistakes were without seeing your step-by-step calculations. Perhaps when you split up the absolute value into its piecewise definition, you forgot the second term? An alternative approach would be to redefine the origin at $A$, in which case your distance function would be nearly correct, but you'd have had to to recalculate the y-limits of integration.

The answer will be the same no matter where you put the origin.


* The equation I have written here is the general two-dimensional form, where the axis of interest is not necessarily parallel to either coordinate axis.

Air
  • 3,211
  • 4
  • 26
  • 47