9

I was studying a book on control systems where I read that a block diagram is a specialized high-level type of flow chart.

What is the difference between a normal flow chart and a block diagram?

DSP_CS
  • 263
  • 1
  • 2
  • 6

2 Answers2

12

Use Google's define:<item to look up> feature.

block diagram
noun: block diagram; plural noun: block diagrams

  • a diagram showing in schematic form the general arrangement of the parts or components of a complex system or process, such as an industrial apparatus or an electronic circuit.

flow chart
noun: flow chart; plural noun: flow charts; noun: flowchart; plural noun: flowcharts; noun: flow diagram; plural noun: flow diagrams

  • a diagram of the sequence of movements or actions of people or things involved in a complex system or activity.
  • a graphical representation of a computer program in relation to its sequence of functions (as distinct from the data it processes).

enter image description here

Figure 1. A sample block diagram of a computer. Source: [Code Cracker}(https://codescracker.com/computer-fundamental/block-diagram-of-computer.htm).

Note that while this gives a representation of the structure of a computer it gives no idea of program or firmware flow.

enter image description here

Figure 2. A simplified flash boot-loader flowchart.

The boot-loader flowchart explains a sequence but gives no idea of the structure of the device.

Transistor
  • 12,108
  • 2
  • 22
  • 32
3

The ISO EN 10628-1 has this example for a basic flow chart (which block diagram may also refer to):

block diagram

The blocks can be unit operations, processes, or parts of a plant, the lines can be material or energy flows.

An example process flow chart looks like this:

enter image description here

The "block" are no longer blocks but symbols for specific devices, amounts/flow rates should be specified at the lines. Important valves etc. may be drawn.

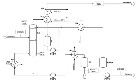
And the next level of detail would be a P&ID:

enter image description here

Individual devices inlcuding actutators, names/numbers for individual components, sensors, pipe class of piping etc.

At the end of the day, you have to ask yourself what you want to say with your drawing and what level of detail is required, either by your contract or by further work you do based on the diagram. The above hopefully helps with navigating this.

mart
  • 4,811
  • 2
  • 19
  • 32