5

Occasionally I have to design T-connections between rectangular tube steel (HSS) members where I have a flare-bevel weld between the corner of the tube and the connecting flat member. If the weld stress is high enough, a reinforcing fillet may be required.

Per AWS D1.1-2010, Section 2.4.2.7,

Section 2.4.2.7

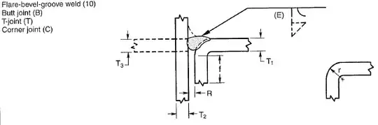
The effective throat is illustrated by Figure 3.3 and Annex A (pasted below)

Figure 3.3


Annex A

Thus far, I have been unable to easily calculate the minimum effective throat of a flare-bevel with reinforcing fillet due to the complex geometry of the weld throat. The best method I have found so far is to draw it in AutoCAD to scale and figure it out from there, but this is relatively time-consuming. It is not immediately evident to me which plane of the weld is the minimum throat since the contour of the weld changes along its width.

Has anyone seen a formulaic (i.e., programmable) methodology for determining the effective throat of a flare-bevel with reinforcing fillet? I mostly work my calculations in Mathcad, so having something I can program into steps would be highly beneficial to my workflow.

grfrazee
  • 3,597
  • 1
  • 18
  • 33

1 Answers1

2

I've spent some time working out the geometry for this configuration and believe I've developed a set of cases that will work to determine the total effective throat of this connection.

The solution is divided into three cases.

Case 1 - Undersized Fillet Weld $(L_2 < RO)$

For this case, the fillet weld is sized such that the vertical leg is less than the root opening $RO$ of the weld (see the figure below).

Case 1

The values $\alpha_{RO}$ and $RO$ are found as

$$ \alpha_{RO} = \arcsin \left( \frac{R_1 - E}{R_1} \right) $$

and

$$ RO = G + R_1 \left[ 1 - \cos(\alpha_{RO}) \right]. $$

Knowing these, one can determine if $L_2 < RO$, in which case $E_T = E$.

Case 2 - Medium Fillet Weld $ (RO < L_2 \leq R_1\tan (\alpha_{RO})) $

In this case, the fillet weld is large enough that the toe of the vertical leg is past the height of the root opening, but the fillet isn't large enough that the total effective throat passes through part of the fillet.

Case 2

With $\alpha_{RO}$ and $RO$ already found,

$$ E_T = \sqrt{E^2 + (L_2 - RO)^2}. $$

Case 3 - Large Fillet Weld $ (L_2 > R_1\tan (\alpha_{RO})) $

For Case 3, the fillet weld is large enough that the total effective throat passes through the body of the fillet.

Case 3

The angle of the fillet, $\alpha_F$ is found as

$$ \alpha_F = \arctan \left( \frac{L_1}{L_2} \right). $$

With this, one can set up a system of equations to solve for $E_T$. I've skipped this step for brevity. It can be shown that,

$$ E_T = \frac{L_1 + E - RO \tan(\alpha_F)}{\sin(\alpha_{RO})\tan(\alpha_F) + \cos(\alpha_{RO})}. $$

This methodology is now formalized in the article "Measuring the Effective Throat of Groove Welds," which appears in the February 2017 edition of the AWS Welding Journal.

grfrazee
  • 3,597
  • 1
  • 18
  • 33