I was wondering how to construct a hydraulic circuit to control a hydraulic double acting piston/actuator enabling the electronic control of the piston extension. I have found the following pneumatic solution. However, I am not sure if this can be applied to hydraulics too.
1 Answers
The pneumatic circuit in your question provides simple start / stop control of the piston. While the 5-port valve is opened you have full flow in either forward / reverse directions. Your control logic would monitor piston position as it approaches a target, then close the 5-port valve when position is within tolerance. This is accurate enough for some applications.
Your circuit also has the manually-adjustable "speed control" valves which are referred to in industry as "flow control" valves. These allow you to further improve accuracy by sacrificing some piston speed. Restricting these manual valves causes the piston to approach a target more gradually, making it easier to shut off the 5-port valve close to the target.
Lastly the circuit has PO check (pilot-operated check) valves. These lock cylinder position after the 5-port valve is shut off. PO check valves are common in vertical cylinder applications where locking piston position is necessary for safety reasons. PO check valves are usually avoided in applications requiring accurate control because they tend to "chatter" at low flow rates. Chatter is rapid stop/start motion of the valves which causes problems with piston positioning. So the PO checks are usually replaced with other valve options. Everything up to this point is true for hydraulics or pneumatics.
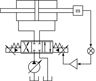
Your question asks for position control in a hydraulic system. Here is the typical hydraulic system design you're looking for -
How does this position control loop work? Piston position is monitored by a feedback device (m). The feedback device communicates with a PID controller (X inside the circle). The PID controller communicates with the 4-port valve through an amplifier (triangle) to adjust valve opening size. The valve opening size controls flow rate, which controls piston position, thereby completing the control loop.
The key to this system design is the 4-port "proportional" hydraulic valve. Proportional means that valve opening % will follow the electrical input %. For example using a 0-10V valve, inputting 3V would result in 30% of maximum hydraulic flow. We refer to this capability as electro-proportional flow control. The advantage is you have 100% flow for the majority of the piston's travel toward the target. Then flow is reduced (100, 90, 80, ... 10%, 5%, 1%) as the piston nears the target. Keeping flow rate high during most of the cycle is necessary to maximize overall cycle time. Final positioning accuracy is improved because of dramatically reduced flow rate near the target piston position.
Couple of final notes -
- Modern electro-proportional valves are typically assembled together with the electronic amplifier. This means you simply supply the 0-10V or 4-20mA control signal. No need to worry about 600mA current draw of the valve solenoids because the manufacturer already accounted for that.
- Highly accurate proportional valves require better hydraulic oil filtration. Typical industry recommendations would be 5 micron particulate filtration. Aerospace-grade proportional valves (such as servo-valves) may require up to 1 micron filtration.
- In case cylinder locking is needed when the proportional valve shuts off, externally-vented counterbalances valves may work. The option for best accuracy would be solenoid-operated 2-port logic valves. Also many other locking options which would be a different topic for a different post.
- Final positioning accuracy is affected by other factors besides the proportional valve quality. Position measurement is critical. PID controller bit rate plays a role. Electrical noise can interfere so don't run your signal wires right next to a 50kW induction motor.
- 376
- 3
- 9

