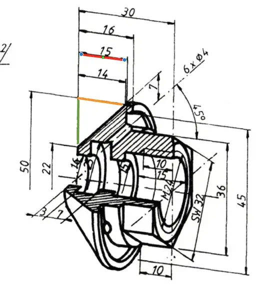
I'm trying to find out the angle/ length of the oblique line, or the solid angle of the conic part.
This is what I've tried so far: According to the pythagorus theorem the length of the line is equal to: $$\sqrt{(50-22)^2+14^2}$$ but obviously this method gives a contradictory results, because as you can read, the line makes a 45° angle with the vertical axis, so its length should be equal to: $$\sqrt{14^2+14^2}$$
I make somewhere a mistake which I obviously don't see it.
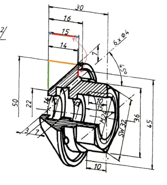
The next question is about the dimension 15 ( marked in red ). I spend an awful amount of time to figure it out, but still cannot say anything.
At the end I want to know if this is something I'll confront a lot in real life mechanical engineering ? I mean a really confusing old drawings of parts sometimes with wrong/incomplete dimensions ?

