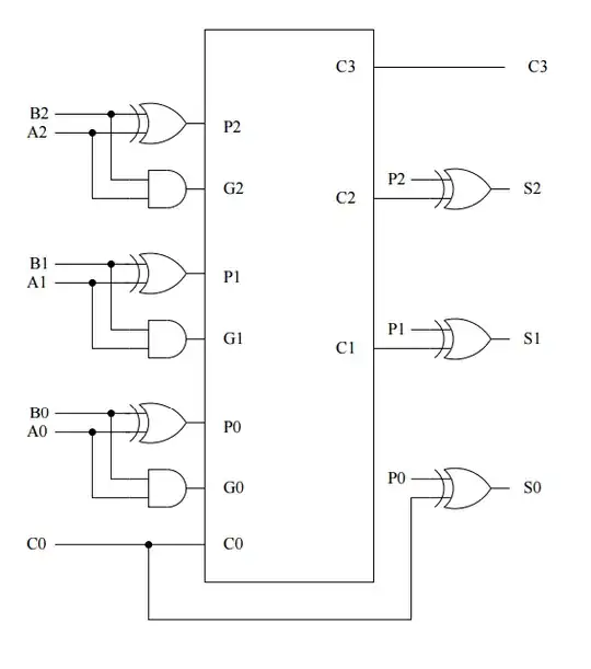
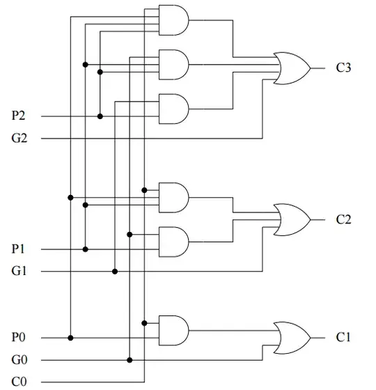
So I have to analyze this circuit, with inputs C0, A0, B0, A1, B1, A2 and B2, and outputs S0, S1, S2 and C3. It's been suggested I don't use a truth table to figure it out. I need to find out what the circuit does by deriving expressions for the outputs.
So far I've identified the XOR gate, and the AND gate sections for the A,B pairs, are adders. I am yet to figure out what the logic block is. By putting in values A=101, B=111, C0=0, I have found out that this whole system is an adder. But I don't know what the logic block section is. That's what I've done so far.

